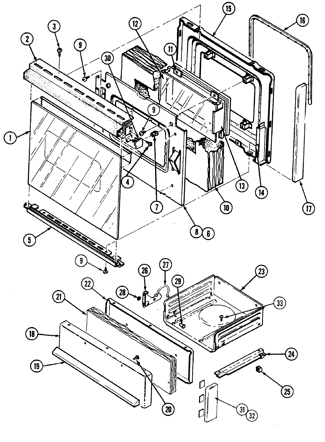
3187XTA 03 – DOOR/DRAWER (3187XTx MODEL)admin2025-04-26T08:55:12+00:003187XTA 03 – DOOR/DRAWER (3187XTx MODEL) ProductsPositionProduct1MAY 7902P321-602MAY 7701P103-603WP98008545 Whirlpool Screw4MAY 7101P291-605MAY 7744P078-606MAY 8010P085-607MAY 8010P075-608MAY 3601F219-459MAY 7101P290-6010MAY 4804F011-6011MAY 3603F036-8012MAY 7902P319-6013MAY 7907P016-6014MAY 7208P011-6015MAY 2402W193-1916MAY 7212P034-6017MAY 7744P055-6018MAY 2403F028-7019WP2411F013-70 Whirlpool Door Handle2074002481 Whirlpool Screw21MAY 4804F025-6022MAY 2404F035-1923MAY 3407F012-1924MAY 3404F022-5124MAY 3404F023-5125MAY 8016P011-6025MAY 8016P013-6026MAY 3418F079-5126MAY 3418F080-5127MAY 7803P065-6027MAY 7803P064-6028MAY 7103P022-6029MAY 7113P012-6030MAY 7744P075-6030MAY 7744P076-6031MAY 7744P073-6032MAY 8270P094-6033MAY 7101P061-60