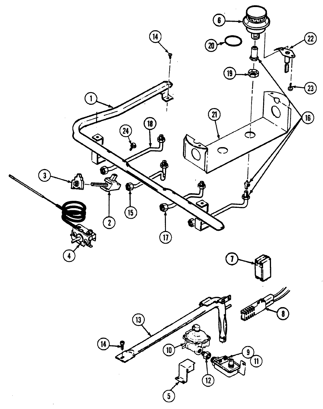
3187XTW 04 – GAS CONTROLS (ELECTRONIC)admin2025-04-26T08:55:23+00:003187XTW 04 – GAS CONTROLS (ELECTRONIC) ProductsPositionProduct1MAY 7513P120-602MAY 7502P218-603WP7403P279-60 Whirlpool Igniter Switch4MAY 7404P087-604MAY 7101P280-605MAY 4005F334-516MAY 3412D018-097MAY 3807F432-457MAY 7431P023-608SCREW (10-24X5/16-NI)8MAY 7432P076-609MAY 7501P099-6010MAY 7510P050-6010MAY 7507P123-6010MAY 8020P007-6011MAY 3414F104-4412MAY 7103P130-6013MAY 3403D023-4514MAY 7101P290-6014MAY 3601F229-4515MAY 7507P084-6016MAY 7507P085-6017MAY 7507P091-6018MAY 7507P113-6019MAY 7103P119-6020MAY 7201P050-6021MAY 3807F451-4522NOT REQUIRED PART OR SEE NOTE FUSE (NOT REQUIRED)23MAY 7101P315-6024MAY 7101P296-6024MAY 5195D078-6024MAY 5185D250-6024MAY 5125A312-6024MAY 5140D038-60