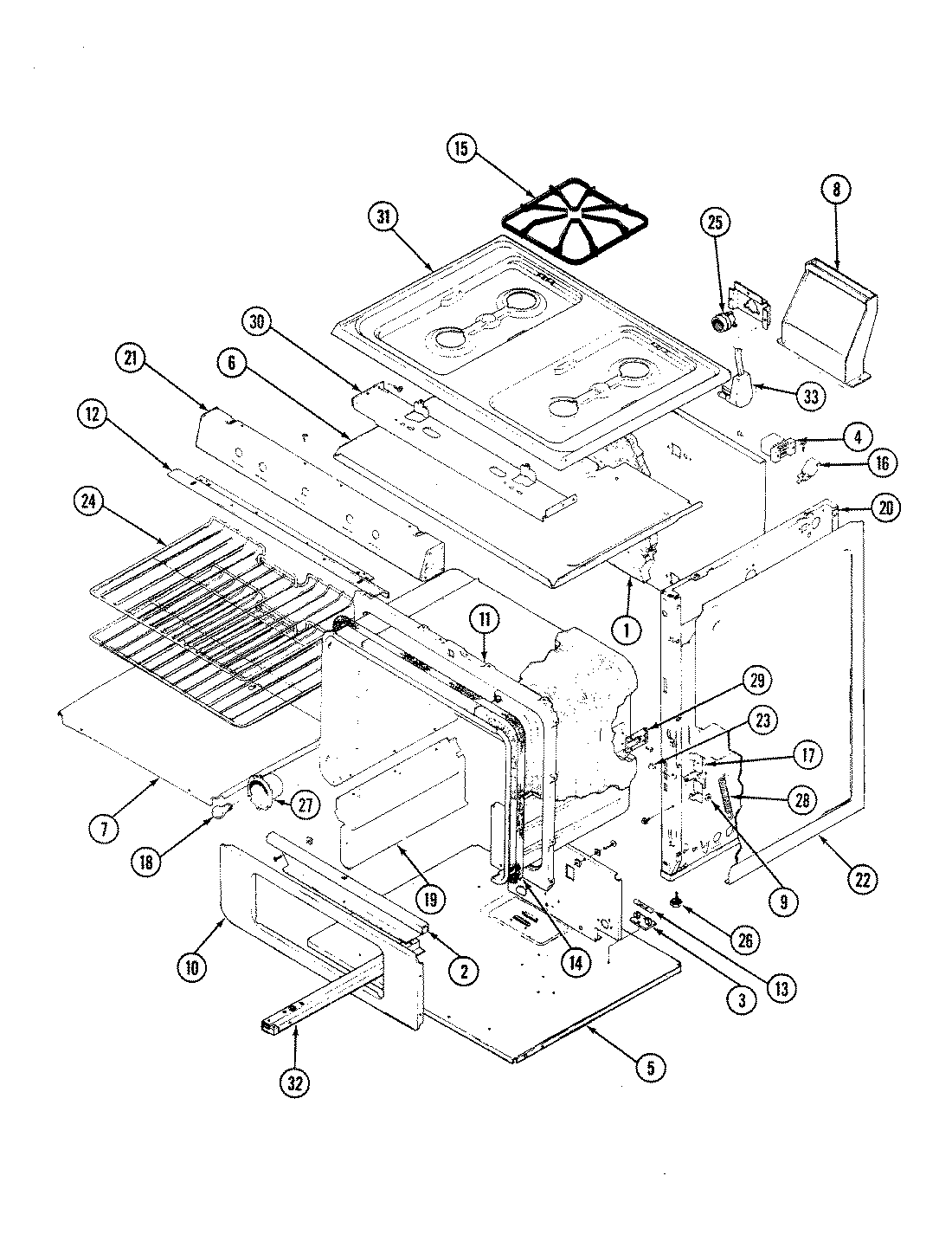
31FA-7-EU 01 – BODY