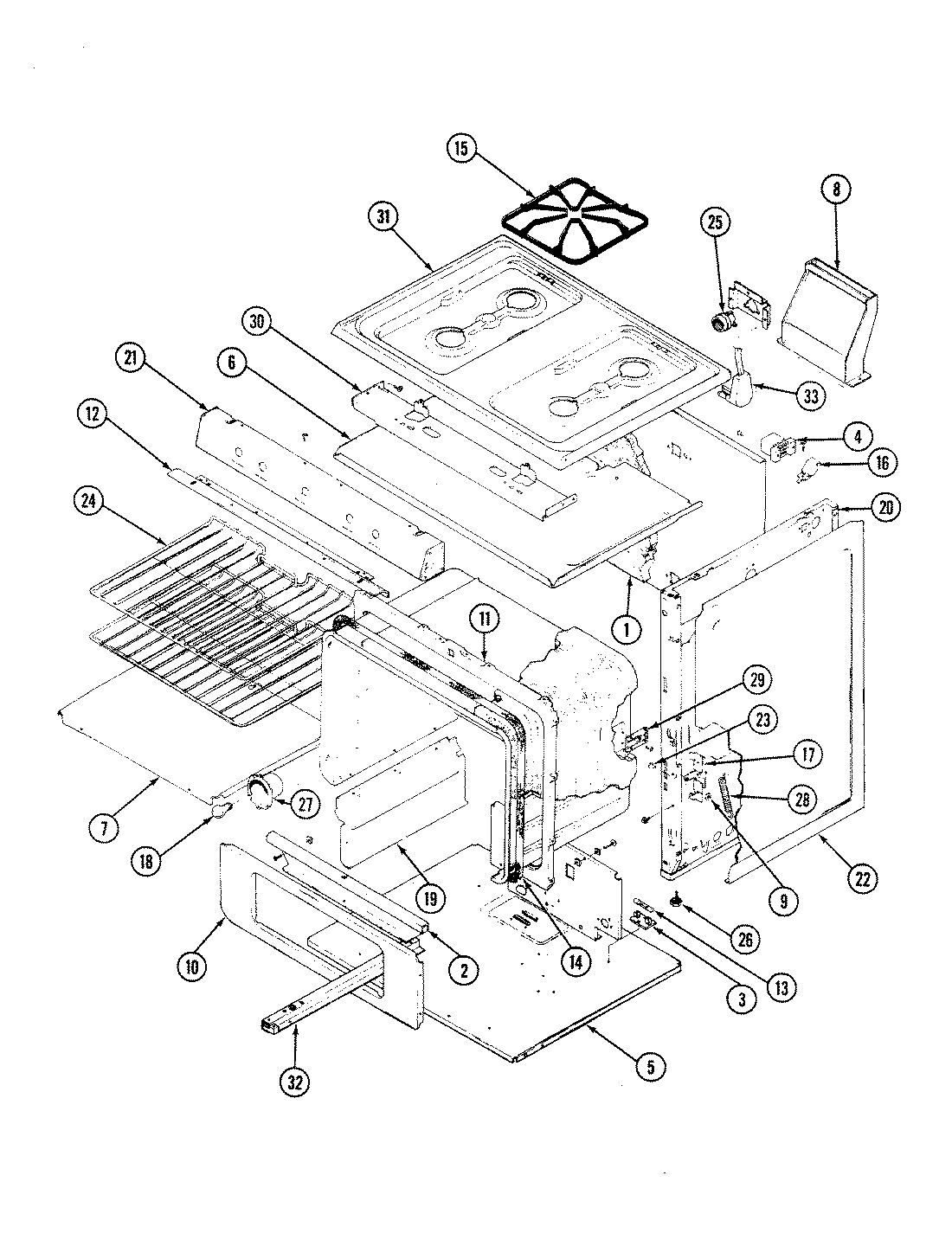
31FA-7K 01 – BODY