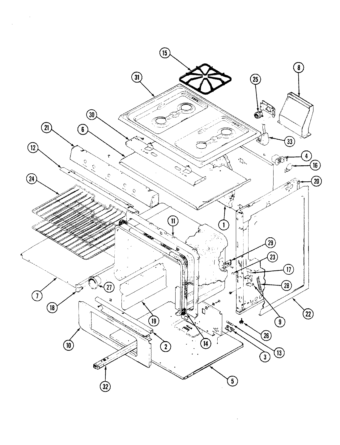
31FA-7KX 01 – BODY