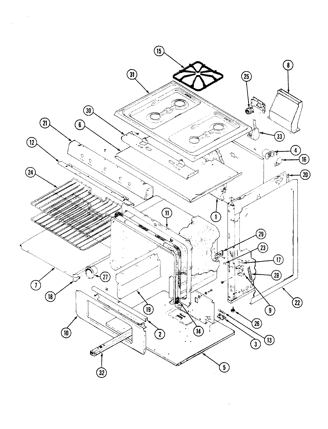
31FA-7W 01 – BODY