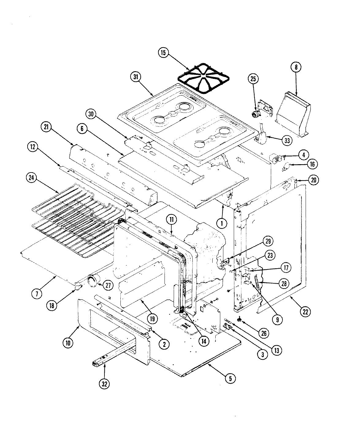
31FA-8KW 01 – BODY