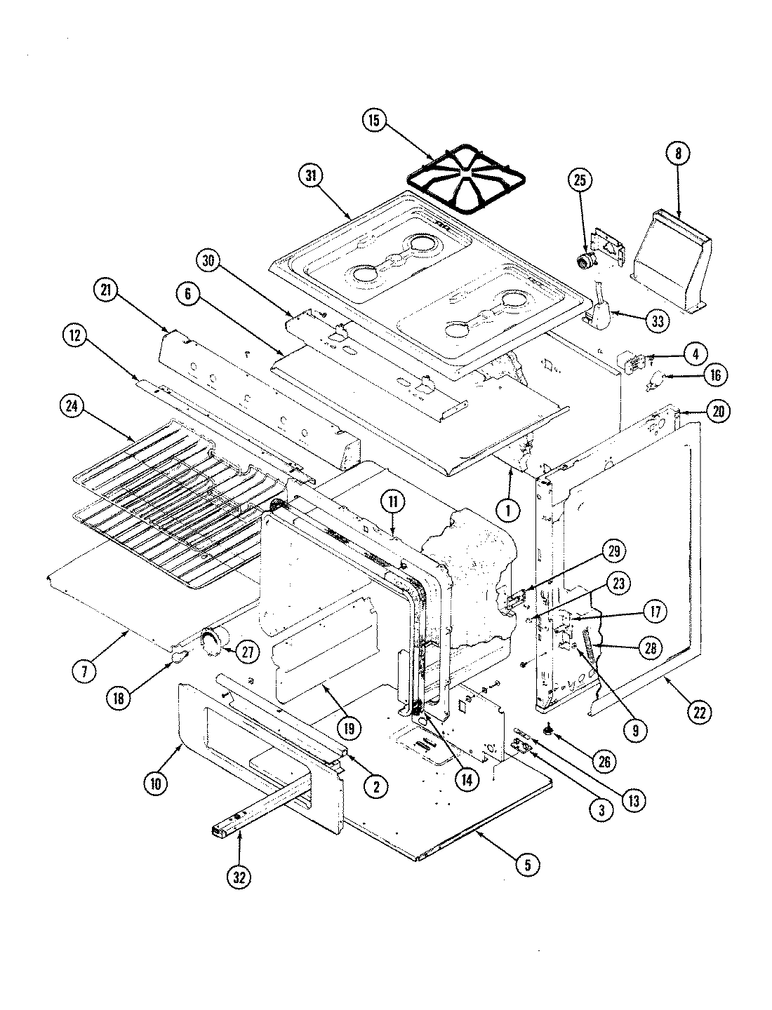
31FK-7KX 01 – BODY