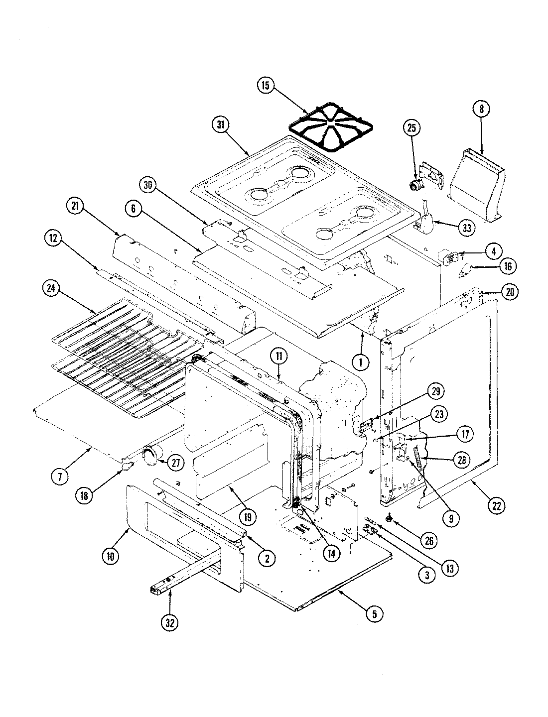
31FY-7-EW 01 – BODY