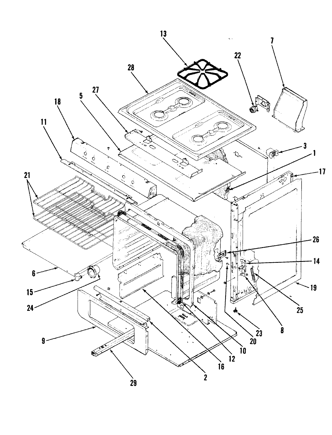
| 1 | MAY 4002F078-45 |
| 1 | MAY 4002F124-45 |
| 1 | MAY 4002F094-80 |
| 2 | MAY 3601W124-16 |
| 3 | MAY 7401P006-60 |
| 4 | MAY 4011F146-80 |
| 5 | MAY 4011F095-80 |
| 6 | MAY 2205F012-17 |
| 7 | MAY 3801F021-45 |
| 7 | MAY 7101P289-60 |
| 7 | MAY 3801F218-51 |
| 7 | MAY 4006W026-80 |
| 7 | MAY 3805F002-34 |
| 7 | MAY 7101P061-60 |
| 7 | MAY 3801F047-34 |
| 7 | MAY 3801F049-34 |
| 7 | MAY 3801F101-80 |
| 8 | MAY 7112P030-60 |
| 8 | MAY 4005F088-80 |
| 8 | WP7112P004-60 Whirlpool Thermal Clip |
| 8 | MAY 7112P019-60 |
| 9 | MAY 2201F034-25 |
| 10 | MAY 2201F060-23 |
| 11 | MAY 4012F019-20 |
| 12 | MAY 7212P001-60 |
| 13 | MAY 2003W001-00 |
| 13 | MAY 2003W026-00 |
| 14 | MAY 3413F002-11 |
| 14 | MAY 7711P173-60 |
| 14 | MAY 3418F029-34 |
| 14 | MAY 7733P038-60 |
| 14 | WP7731P018-60 Whirlpool Knob |
| 14 | MAY 7711P185-60 |
| 14 | MAY 7733P053-60 |
| 14 | MAY 7733P059-60 |
| 14 | MAY 3418F030-34 |
| 15 | MAY 7407P026-60 |
| 16 | MAY 4009F044-45 |
| 17 | MAY 4009W059-80 |
| 17 | MAY 3401F004-11 |
| 17 | MAY 4009W077-80 |
| 17 | MAY 4009W040-80 |
| 17 | WP4159193 Whirlpool Screw |
| 18 | MAY 7712A029-60 |
| 19 | MAY 2618F052-71 |
| 19 | MAY 2618F073-71 |
| 21 | MAY 7801P030-60 |
| 22 | MAY 7408P002-60 |
| 23 | MAY Y7101P25460 |
| 24 | MAY 8010P002-60 |
| 24 | MAY 4001F016-11 |
| 25 | MAY 3807F226-34 |
| 25 | MAY 7803P002-60 |
| 26 | MAY 3807F221-80 |
| 27 | MAY 3807F205-45 |
| 28 | MAY 2001F035-91 |
| 29 | MAY 3404A001-51 |
| 29 | MAY 3404A013-51 |
| 29 | MAY 3404A014-51 |
| 30 | MAY 7402P014-60 |