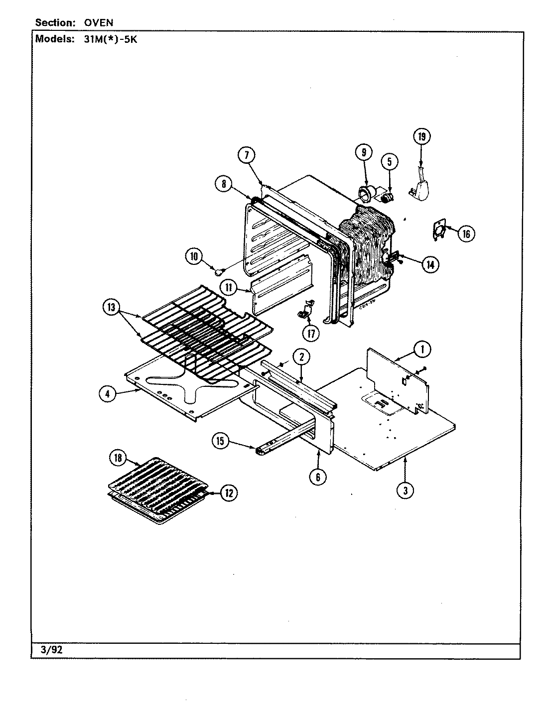
31MA-5KX 05 – OVEN