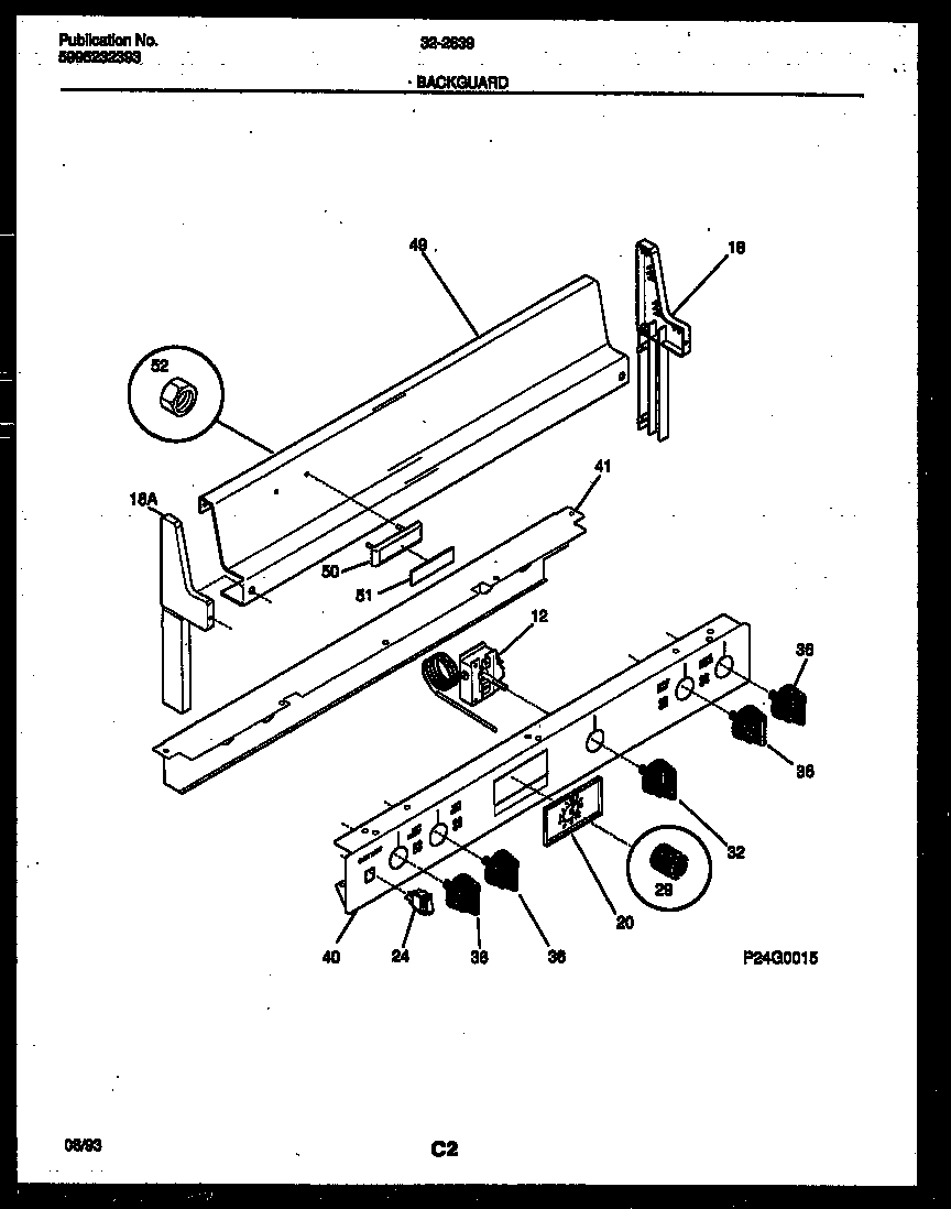
32-2639-00-07 02 – BACKGUARDadmin2025-04-26T11:39:28+00:0032-2639-00-07 02 – BACKGUARD ProductsPositionProduct12316032411 Frigidaire Stove Temperature Control Thermostat18CAP-END RH (CHROME)18ACAP-END LH (CHROME)20WCI 316041200245308015487 Frigidaire Switch-Oven Light29KNOB-CLOCK32WCI 320488036KNOB - TOP VALVE (4)40WCI 530327492941WCI 530328411049PANEL-BACKGUARD (CHROME)50WCI 305111351WCI 313164452NUT, TWIST