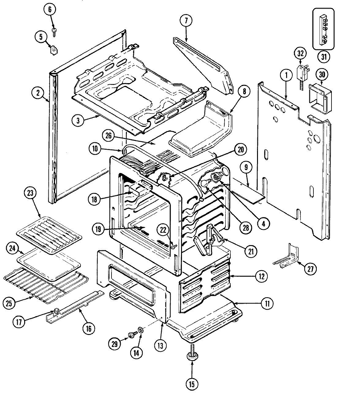
3221WRV 01 – BODY/OVEN