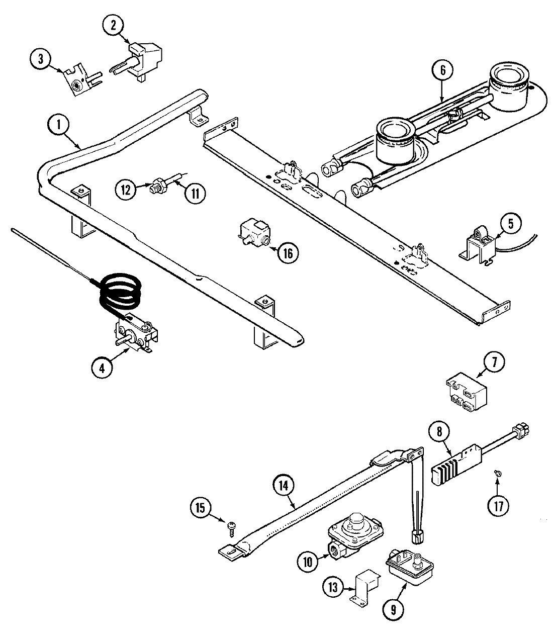
3221WRV 05 – GAS CONTROLSadmin2025-04-26T09:11:08+00:003221WRV 05 – GAS CONTROLS ProductsPositionProduct1MAY 7513P105-602MAY 7101P044-602MAY 7502P174-603MAY 7403P284-604MAY 7404P087-604MAY 3604F177-514MAY 7101P280-605MAY 7432P008-605MAY 7118P015-605MAY 7432P031-606MAY 3412A004-197MAY 7431P006-607MAY 3807F432-458MAY 7432P067-609MAY 7501P099-6010MAY 7510P050-6010MAY 8020P007-6011MAY 3414F104-4412MAY 155525113MAY 4005F334-5114MAY 3403D023-4515MAY 7101P290-6016MAY 7502P002-6017SCREW (10-24X5/16-NI)18MAY 5125A312-6018MAY 5140D038-6019NOT REQUIRED PART OR SEE NOTE FUSE (NOT REQUIRED)