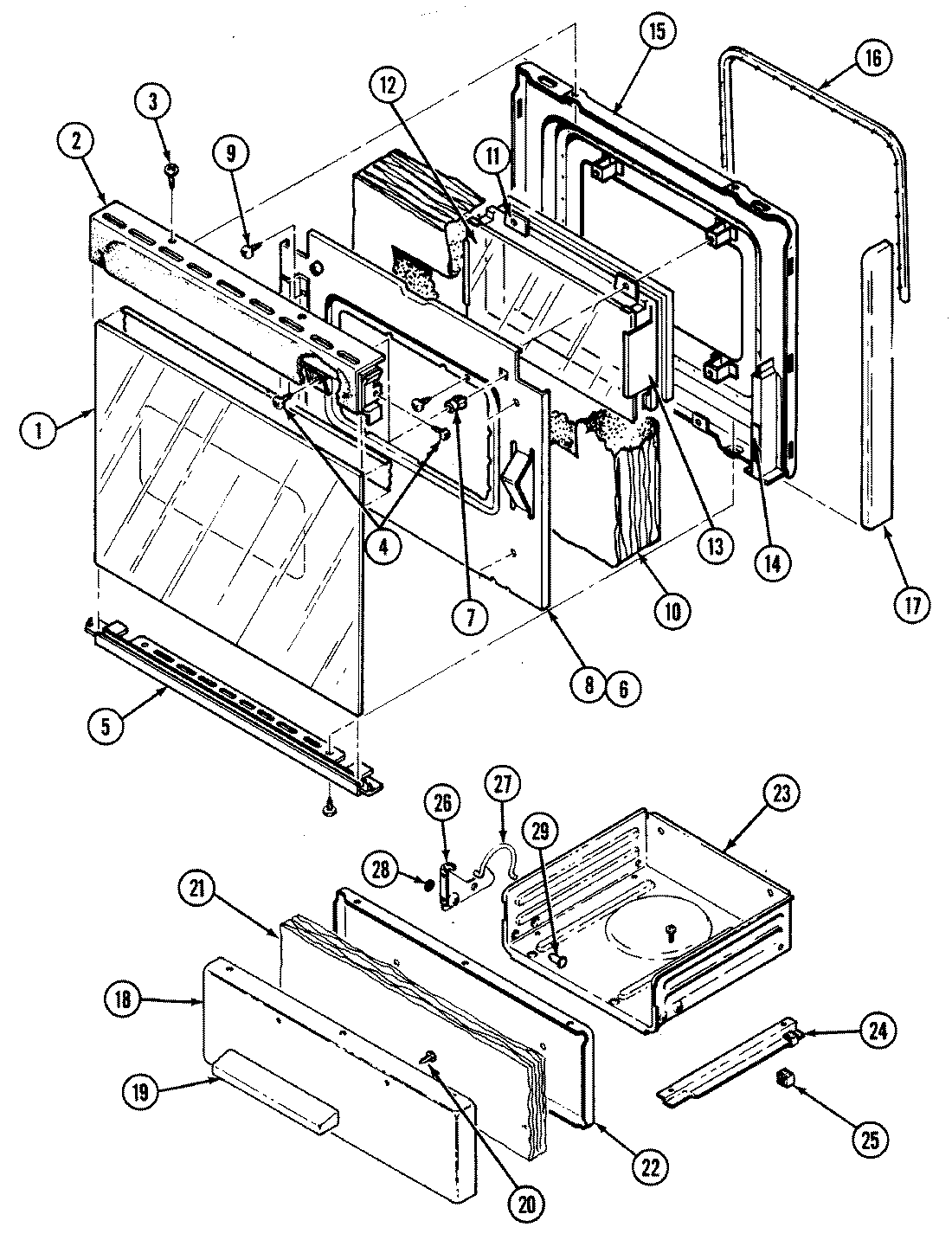
3221XPS 03 – DOOR/DRAWER