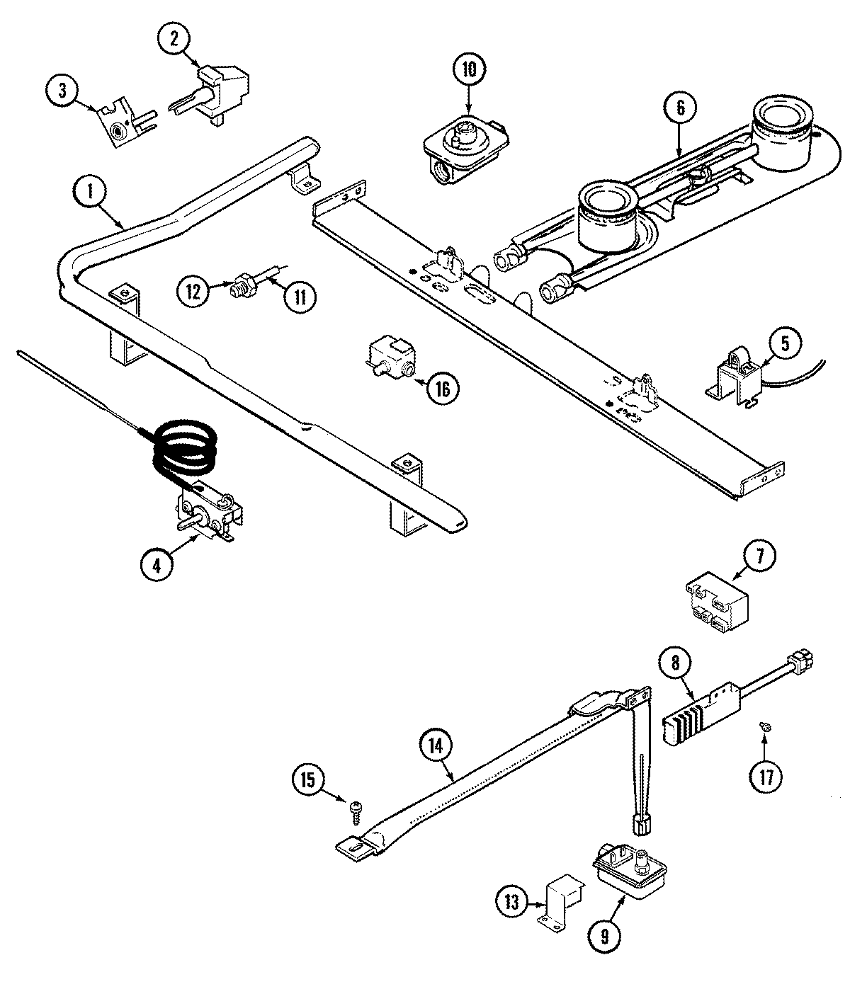
3221XTA 04 – GAS CONTROLSadmin2025-04-26T09:11:59+00:003221XTA 04 – GAS CONTROLS ProductsPositionProduct1MAY 7513P159-602MAY 7502P174-602MAY 7101P044-603MAY 7403P284-604MAY 7101P280-604MAY 7404P087-604MAY 3604F177-515MAY 7432P008-605MAY 7432P031-605MAY 7118P015-606MAY 3412A004-197MAY 3807F432-457MAY 7431P006-608SCREW (10-24X5/16-NI)8MAY 7432P076-609MAY 7501P144-6010MAY 8020P007-6010MAY 7510P049-6011MAY 3414F104-4412MAY 8312P016-6012MAY 7103P130-6013MAY 4005F334-5114MAY 3403D023-4515MAY 4005F423-5115MAY 7101P290-6016MAY 7502P002-60