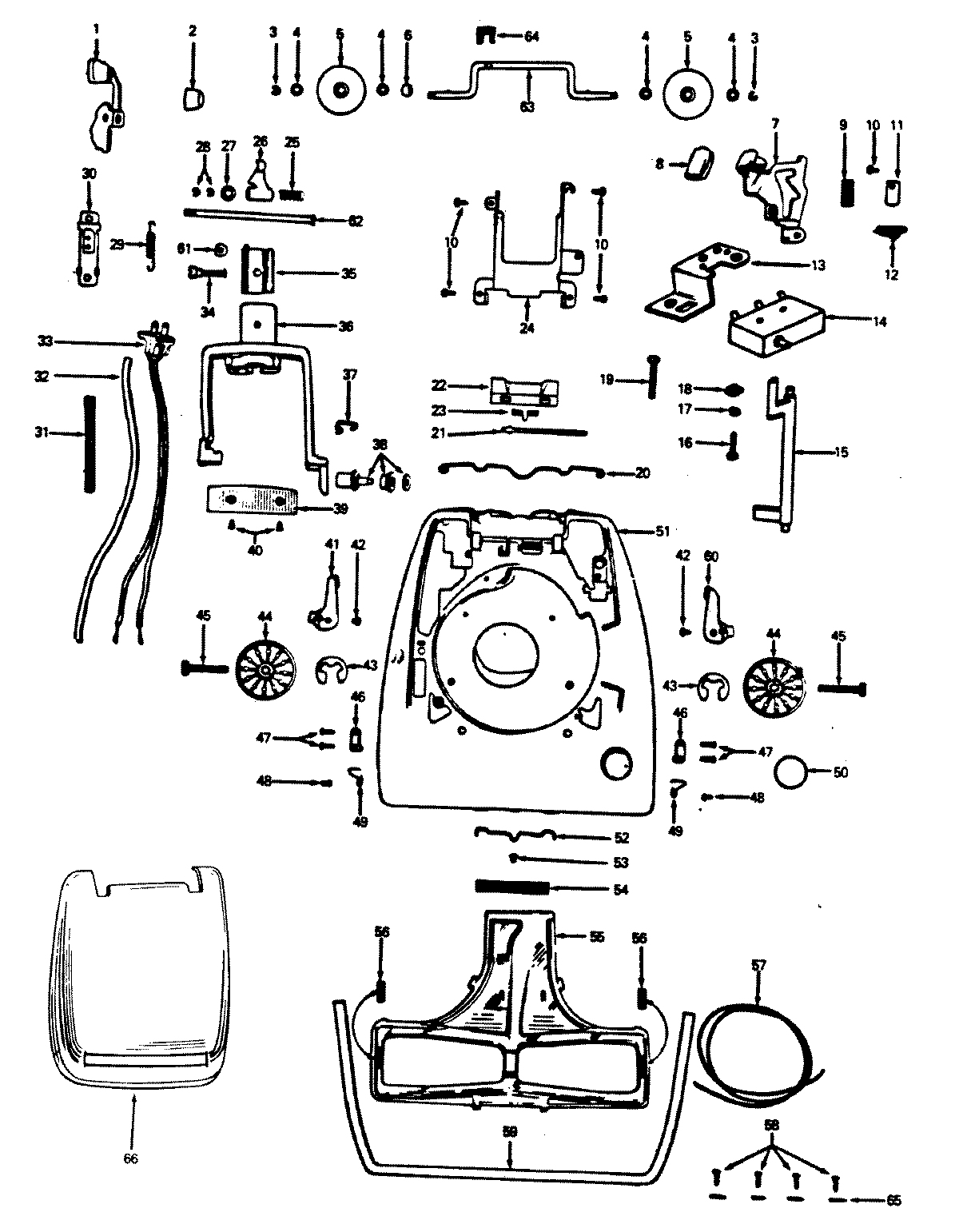
334 05 – MAINBODY, HOODadmin2025-04-26T09:09:54+00:00334 05 – MAINBODY, HOOD ProductsPositionProduct1MAY 161511AY1MAY 161571JM1MAY 12984AY-1MAY 047562JM2MAY 384260722MAY 034315AR3MAY 017207AZ4MAY 213127725MAY 385210415MAY 034353--6MAY 311480047MAY 431370368MAY 384260809MAY 012559FW10MAY 2176708211MAY 3466500712MAY 047450AY13MAY 018589--14MAY 019513AG14MAY 013890--15MAY 018588--16MAY 012892--17MAY 014287--18MAY 014199--19MAY 014279--20MAY 034344FW20MAY 012991--21MAY 017465AY22MAY 034350--23MAY 045191--24MAY 3643501625MAY 048409FW26MAY 019907--27MAY 161507--28MAY 012979--29MAY 161513--30MAY 161514--31MAY 3831302332MAY 3172702333MAY 023296AG34MAY 48294AW-35MAY 3546300236MAY 4141603037MAY 3944203038MAY 011735--39MAY 034192--40MAY 166648AW41MAY 3544600342MAY 012456--43MAY 013730--44MAY 34791AG-45MAY 047457AY46MAY 3435500247MAY 048422-48MAY 3224300149MAY 047259AY50MAY 5166100851MAY 4224206452MAY 034439--53MAY 161882--54MAY 047237--55MAY 167238--56MAY 3411100157MAY 3171800158MAY 12997AW-59MAY 16974JM-60MAY 3544600561MAY 013704--62MAY 047247--62MAY 161509AY63MAY 034205AW63MAY 161512FW63MAY 034351FW64MAY 3425200565MAY 023878--66MAY 167364JM