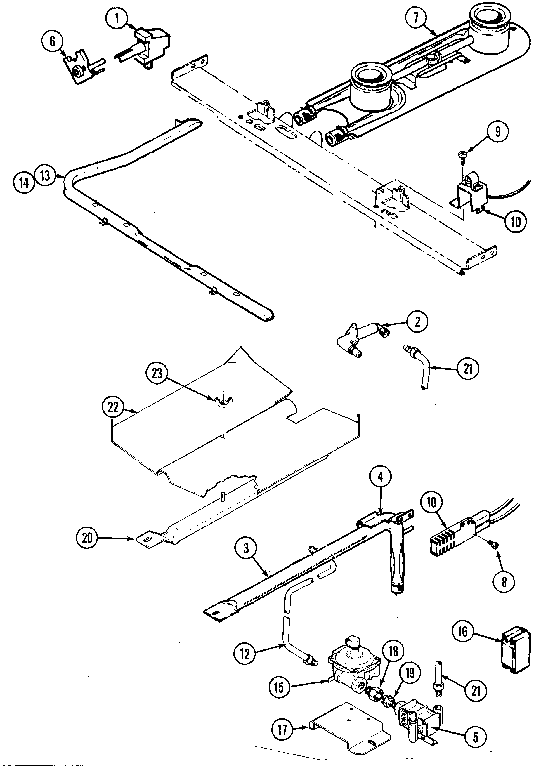
3422PRA 04 – GAS CONTROLS