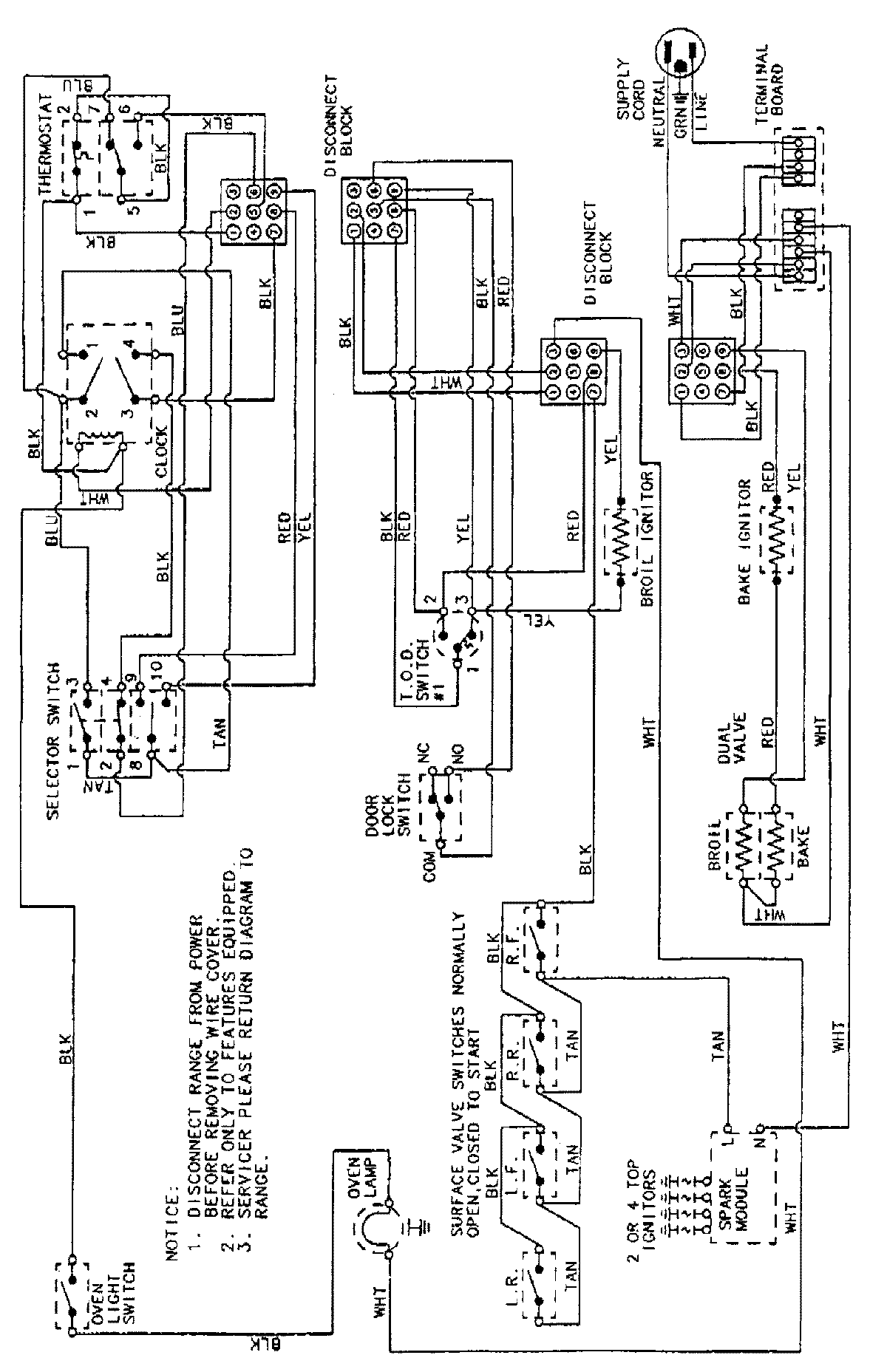
3428PVA-D 07 – WIRING INFORMATIONadmin2025-04-26T09:11:02+00:003428PVA-D 07 – WIRING INFORMATION ProductsPositionProductNIMAY 15001188