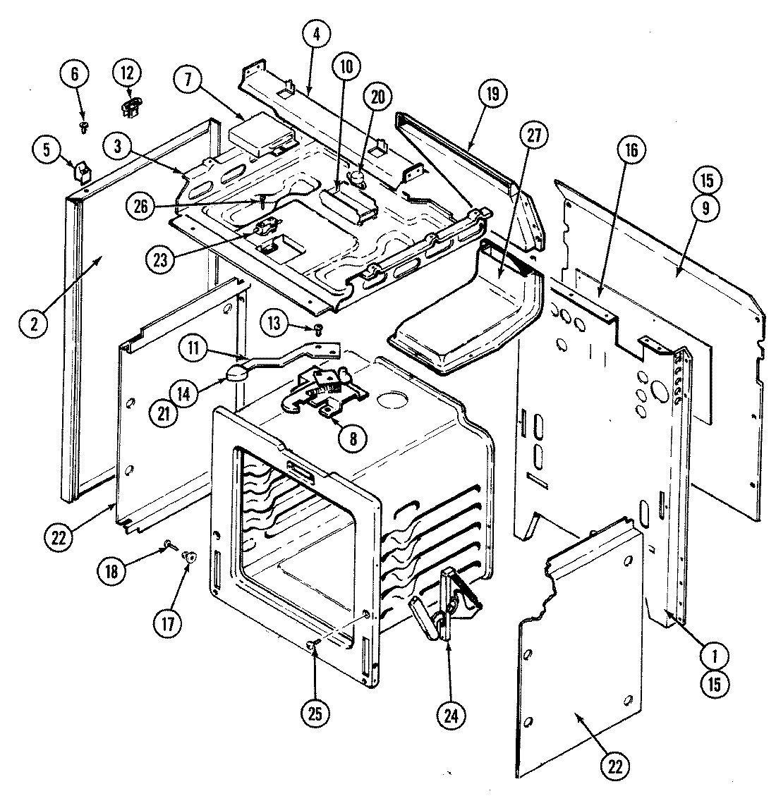
3442XRW 01 – BODYadmin2025-04-26T09:10:14+00:003442XRW 01 – BODY ProductsPositionProduct1MAY 4002F175-802MAY 2618F085-712MAY 2618F085-742MAY 2618F099-742MAY 2618F099-713MAY 4011F250-803MAY 4011F210-804MAY 3807F411-515SPACER, MAIN TOP (RT)5SPACER, MAIN TOP (LT)6MAY 7118P013-607MAY 4005F347-518MAY 4804F028-608MAY 8002P024-609MAY 4005F331-5110MAY 3807F420-5110MAY 7101P076-6011MAY 8009P015-6011MAY 7109P015-6011MAY 8009P029-6012MAY 8007P023-6013SCREW, LEVER14MAY 7701P088-6015MAY 7101P290-6016MAY 3604F165-5117MAY 8004P024-6018MAY 7101P300-6019MAY 4022W005-1920MAY 7403P275-6021MAY 7112P003-6022MAY 3804F103-5123MAY 7403P361-6023MAY 7403P228-6023MAY 3801F267-4523MAY 7003P063-6024MAY 7106P049-6024MAY 7106P033-6025SCREW, HINGE26MAY 7101P330-6026MAY 7101P031-6027MAY 7402P043-6027MAY 4006W113-45