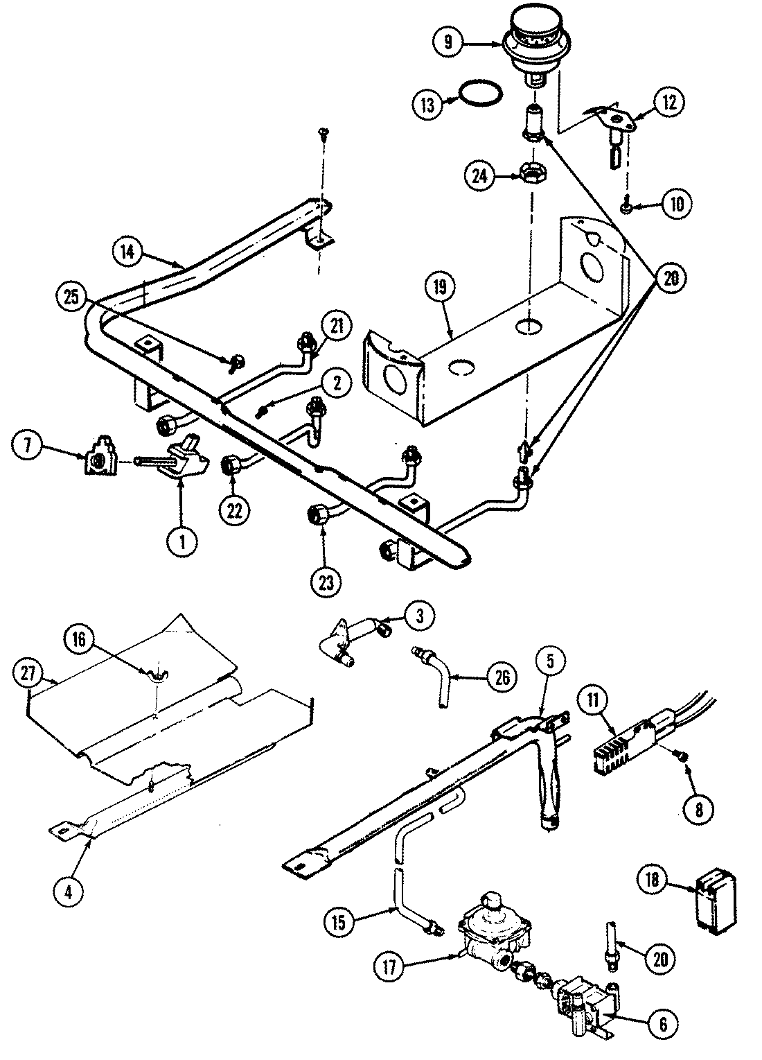
3448SRW 04 – GAS CONTROLSadmin2025-04-26T09:10:38+00:003448SRW 04 – GAS CONTROLS ProductsPositionProduct1MAY 7502P219-602MAY 7101P044-603MAY 7507P088-603MAY 3605F186-454MAY 3403D043-454MAY 3403D024-455MAY 3807F446-456MAY 4005F334-516WP74006427 Whirlpool Oven Valve7MAY 7403P284-608SCREW (10-24X5/16-NI)9WP3412D024-09 Whirlpool Oven Burner Head10MAY 7101P315-6011MAY 4005F421-4511MAY 7432P076-6012NOT REQUIRED PART OR SEE NOTE FUSE (NOT REQUIRED)13MAY 7201P050-6014MAY 7513P120-6015MAY 7103P130-6015MAY 3414F103-4416NUT, WING17MAY 7510P063-6018MAY 3807F421-5118MAY 7431P024-6019MAY 3807F444-4520MAY 7507P085-6021MAY 7507P113-6022MAY 7507P084-6023MAY 7507P091-6024MAY 7103P119-6025MAY 7101P296-6026MAY 3414F102-4427MAY 5125A312-6027MAY 3601F217-4527MAY 5140D035-60