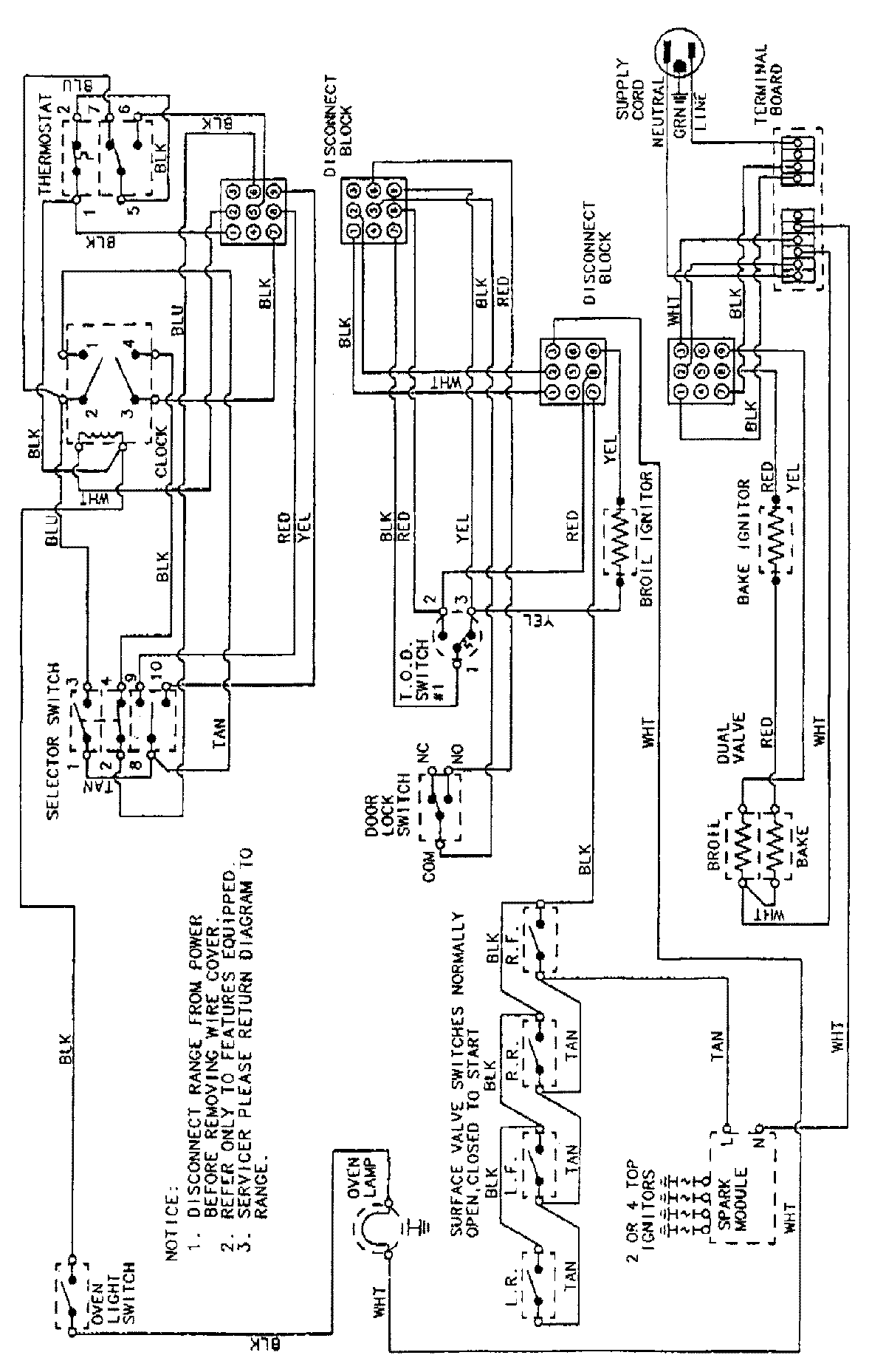
3448STA 07 – WIRING INFORMATIONadmin2025-04-26T09:12:40+00:003448STA 07 – WIRING INFORMATION ProductsPositionProductNIMAY 15001188