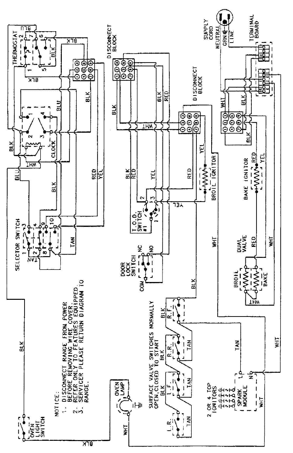
3448STW 07 – WIRING INFORMATIONadmin2025-04-26T09:11:20+00:003448STW 07 – WIRING INFORMATION ProductsPositionProductNIMAY 15001188