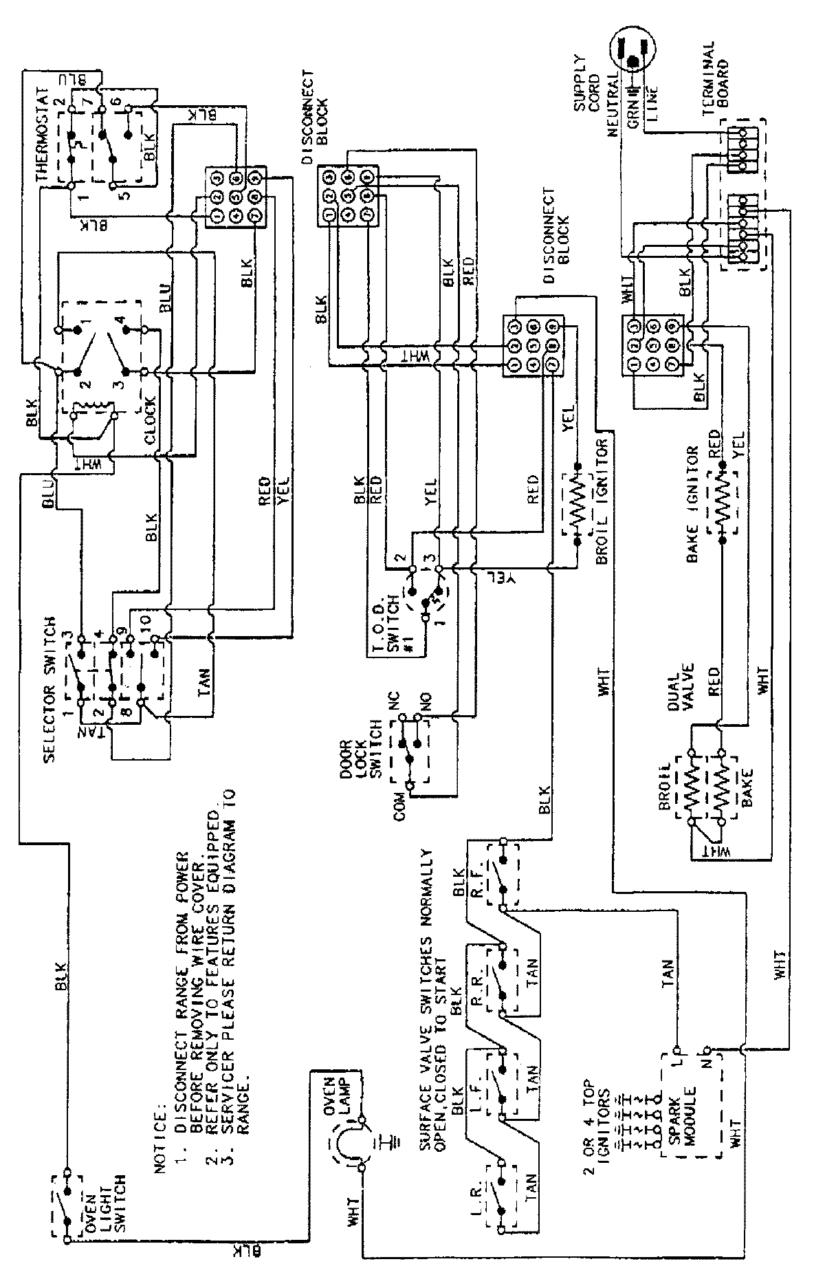
3448XTA 08 – WIRING INFORMATIONadmin2025-04-26T09:14:36+00:003448XTA 08 – WIRING INFORMATION ProductsPositionProductNIMAY 15001188