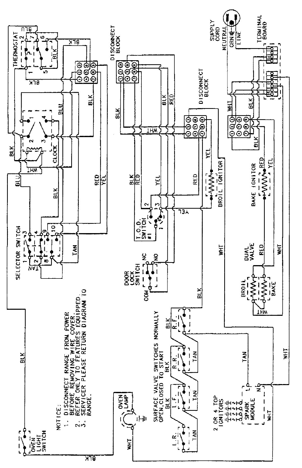
3448XTS 07 – WIRING INFORMATIONadmin2025-04-26T09:12:25+00:003448XTS 07 – WIRING INFORMATION ProductsPositionProductNIMAY 15001188