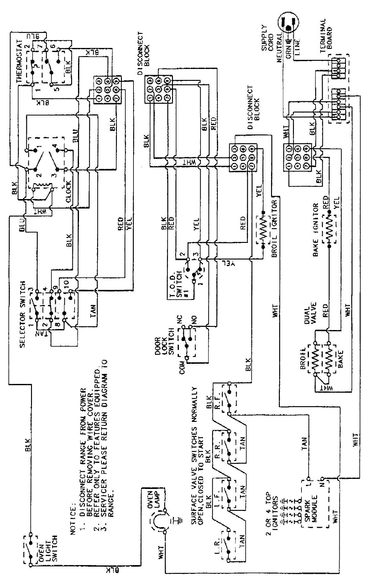
3448XTW 08 – WIRING INFORMATIONadmin2025-04-26T09:12:18+00:003448XTW 08 – WIRING INFORMATION ProductsPositionProductNIMAY 15001188