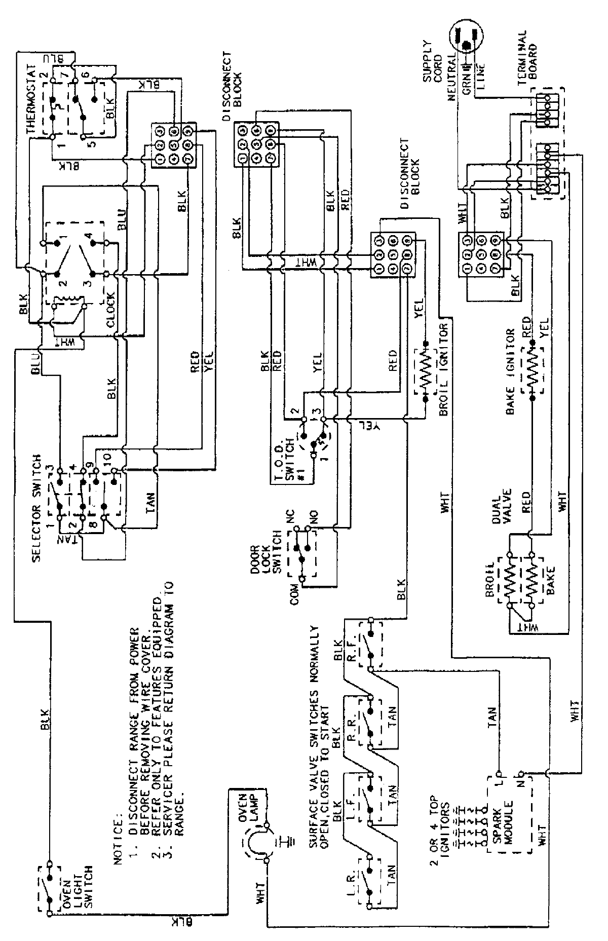
3458KVW 07 – WIRING INFORMATIONadmin2025-04-26T09:13:33+00:003458KVW 07 – WIRING INFORMATION ProductsPositionProductNIMAY 15001188