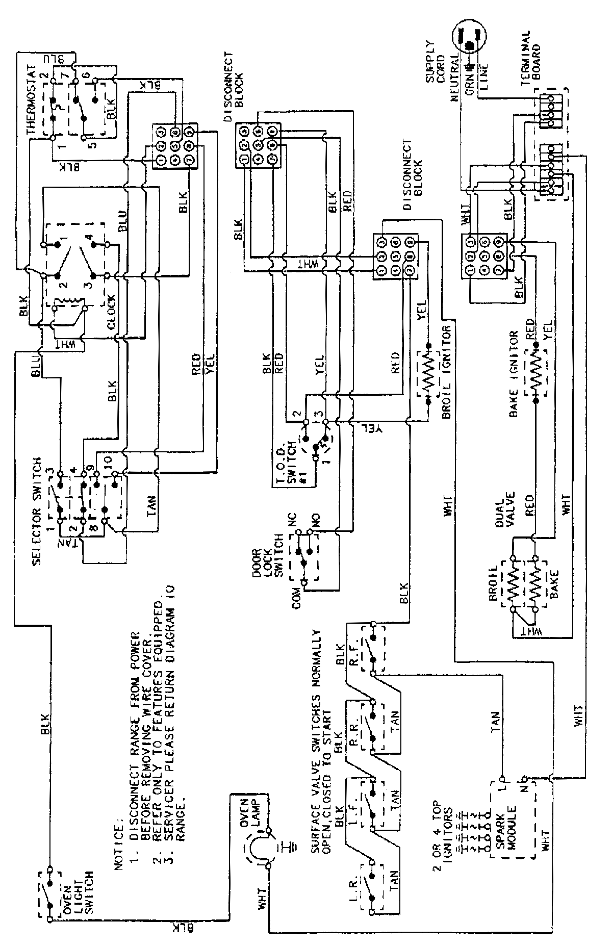
3458XVA 07 – WIRING INFORMATIONadmin2025-04-26T09:10:04+00:003458XVA 07 – WIRING INFORMATION ProductsPositionProductNIMAY 15001188