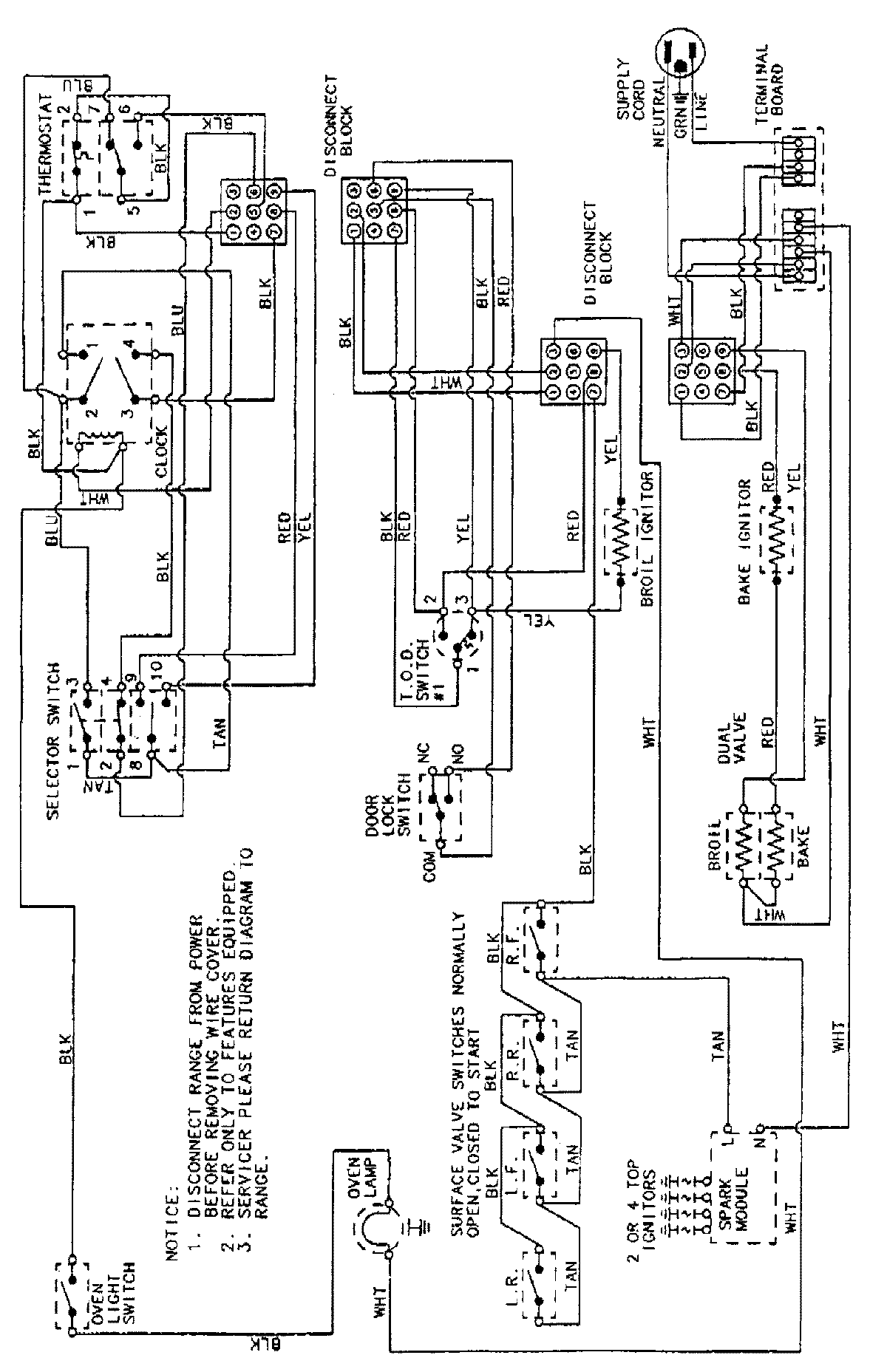
3458XVB 07 – WIRING INFORMATIONadmin2025-04-26T09:11:23+00:003458XVB 07 – WIRING INFORMATION ProductsPositionProductNIMAY 15001188