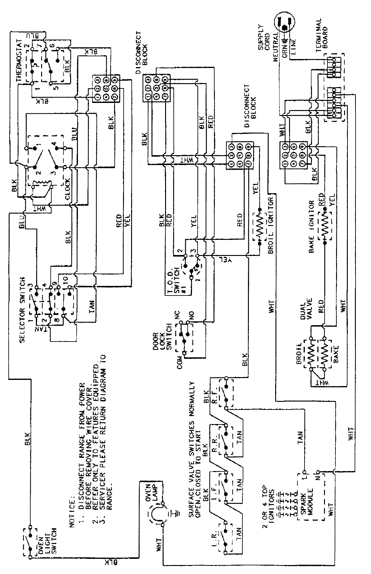
3458XVS 07 – WIRING INFORMATIONadmin2025-04-26T09:13:19+00:003458XVS 07 – WIRING INFORMATION ProductsPositionProductNIMAY 15001188