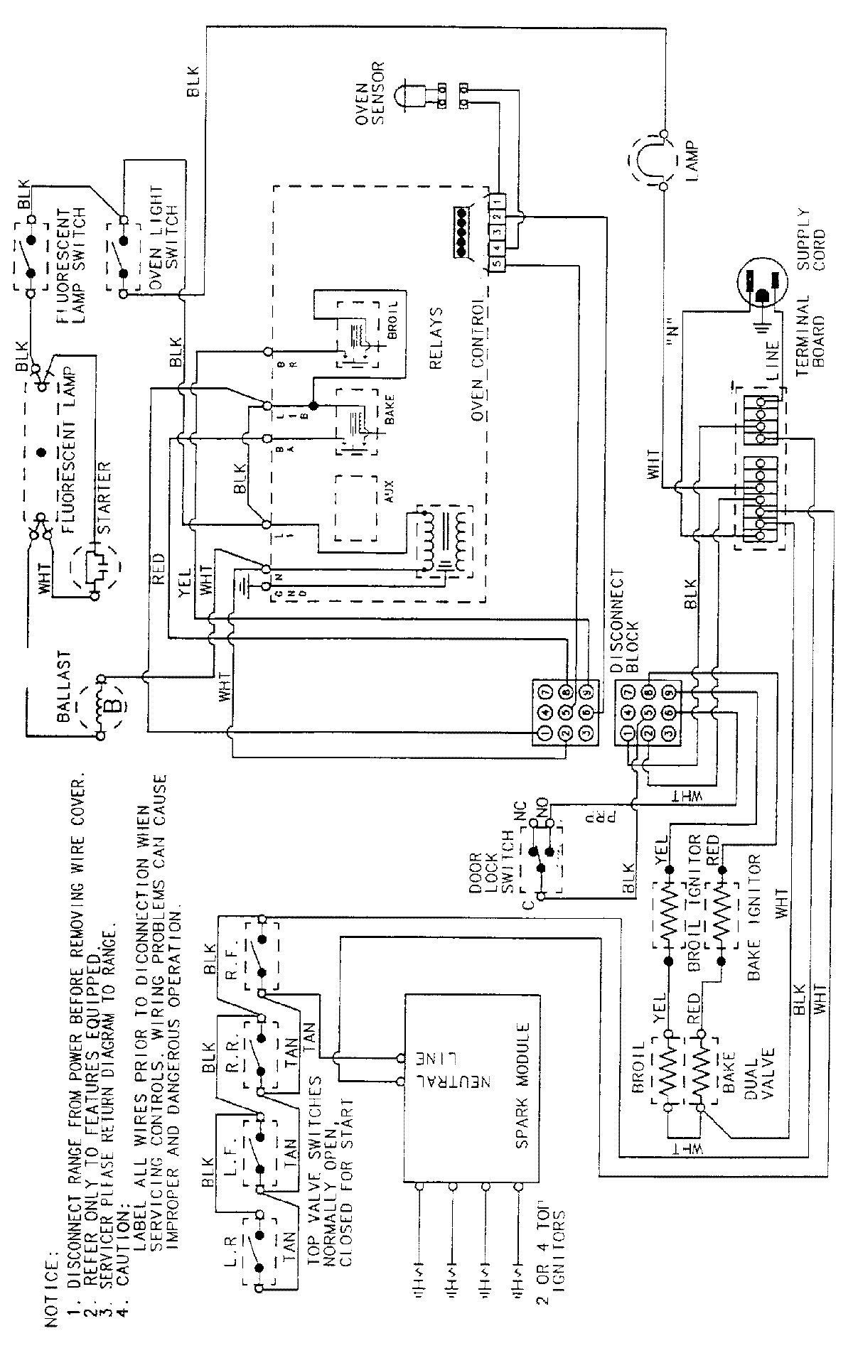
3468VVD 07 – WIRING INFORMATIONadmin2025-04-26T09:10:27+00:003468VVD 07 – WIRING INFORMATION ProductsPositionProductNIMAY 15001191