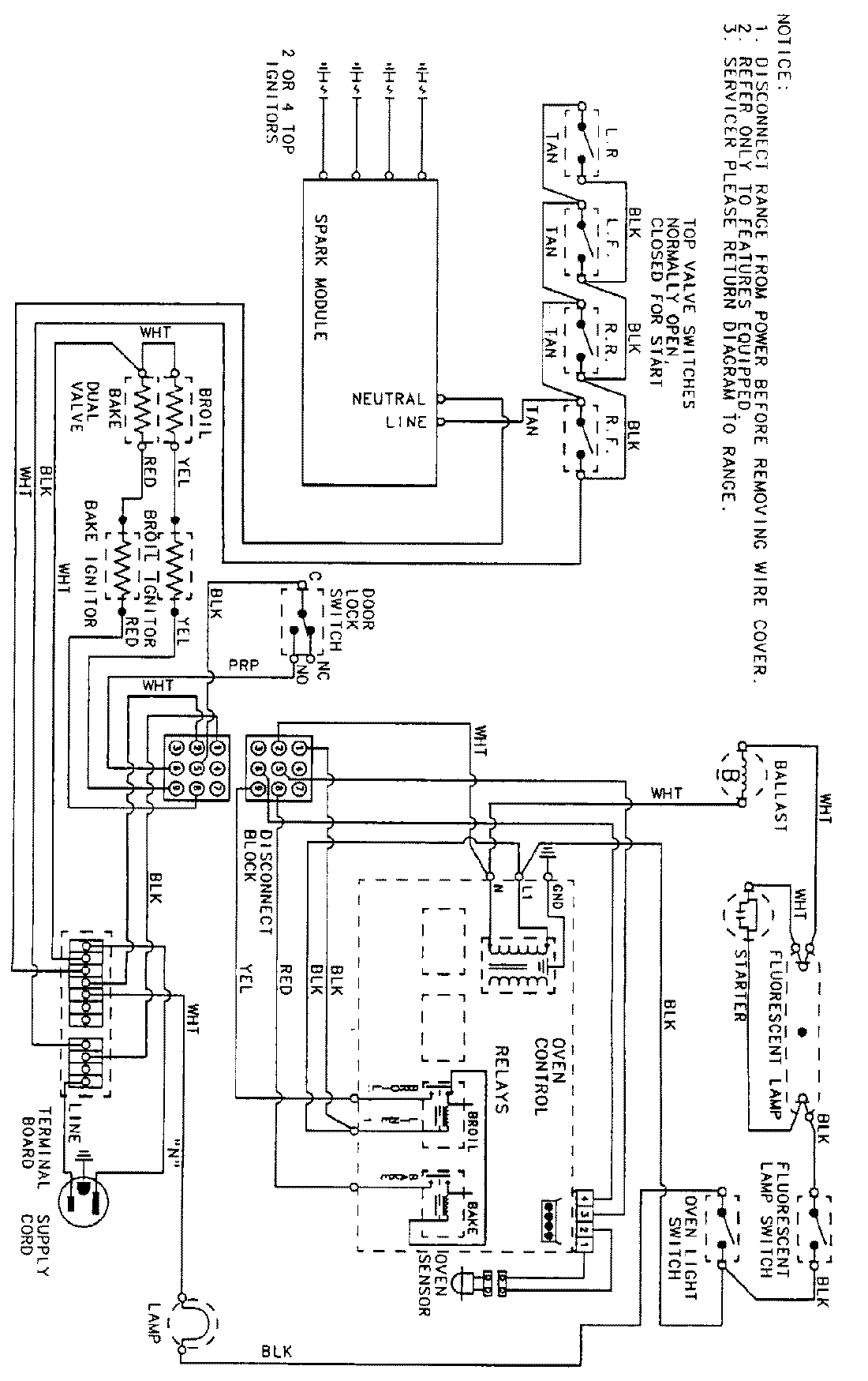
3468XRA 07 – WIRING INFORMATIONadmin2025-04-26T09:11:26+00:003468XRA 07 – WIRING INFORMATION ProductsPositionProductNIMAY 15001711