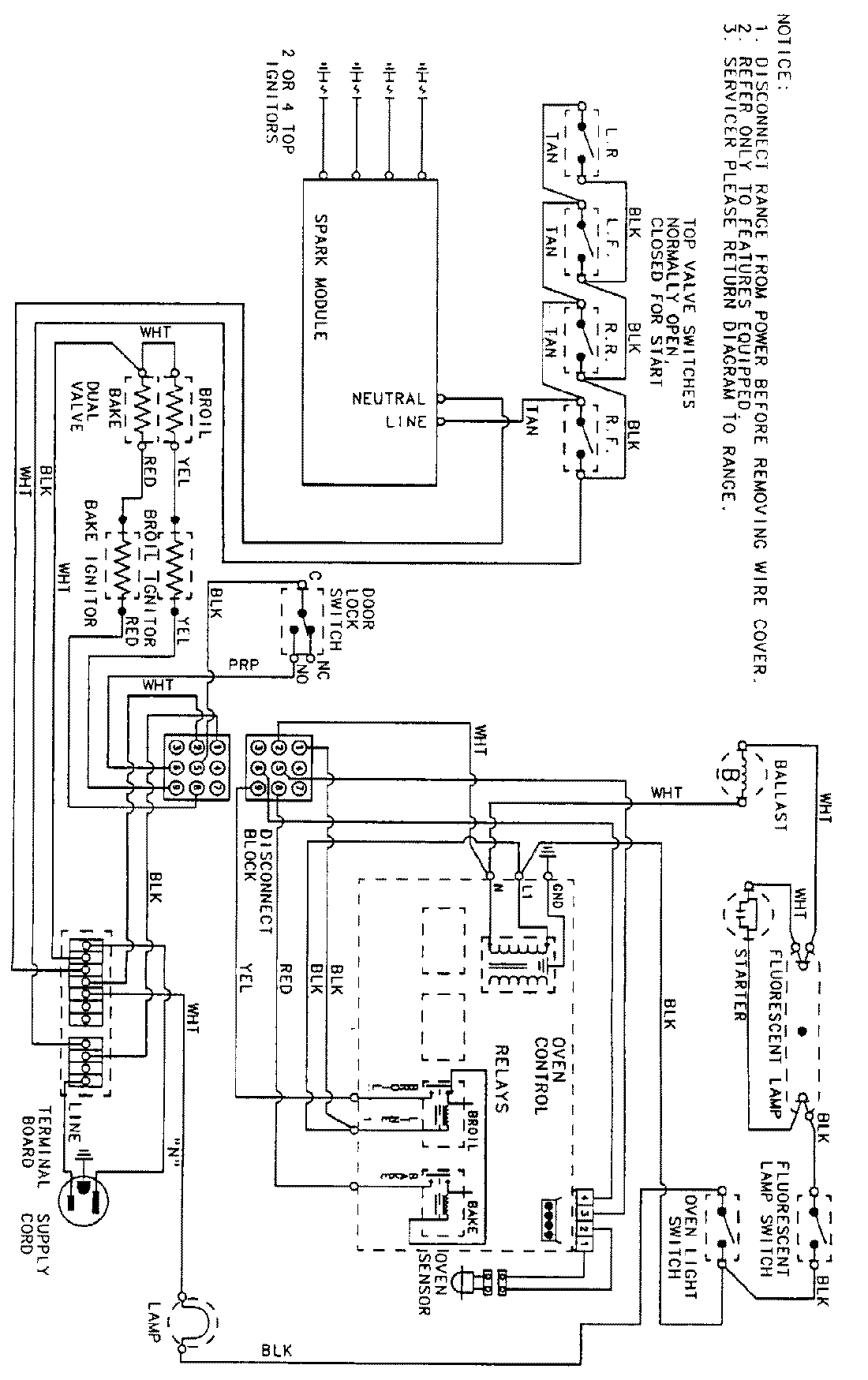
3468XRA-X 05 – WIRING INFORMATIONadmin2025-04-26T09:10:28+00:003468XRA-X 05 – WIRING INFORMATION ProductsPositionProductNIMAY 15001711