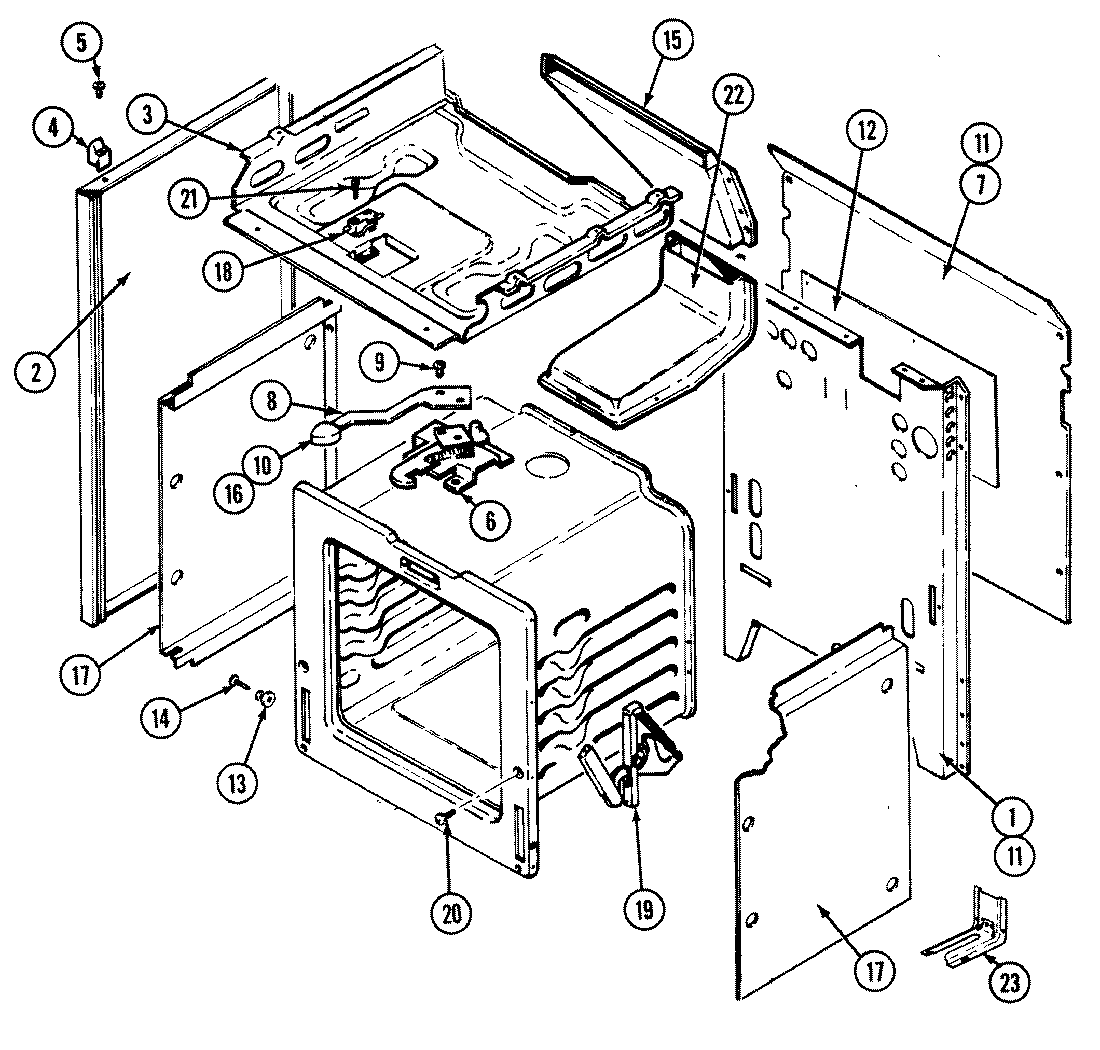
3468XRW 01 – BODY