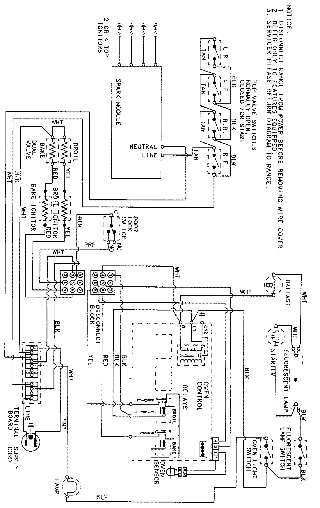
3468XRW-X 06 – WIRING INFORMATIONadmin2025-04-26T09:12:45+00:003468XRW-X 06 – WIRING INFORMATION ProductsPositionProductNIMAY 15001711