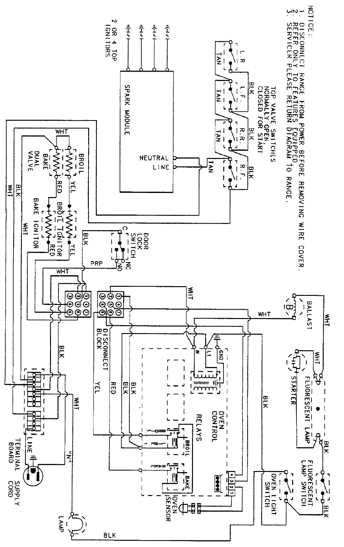
3488VRA 06 – WIRING INFORMATIONadmin2025-04-26T09:10:28+00:003488VRA 06 – WIRING INFORMATION ProductsPositionProductNIMAY 15001711