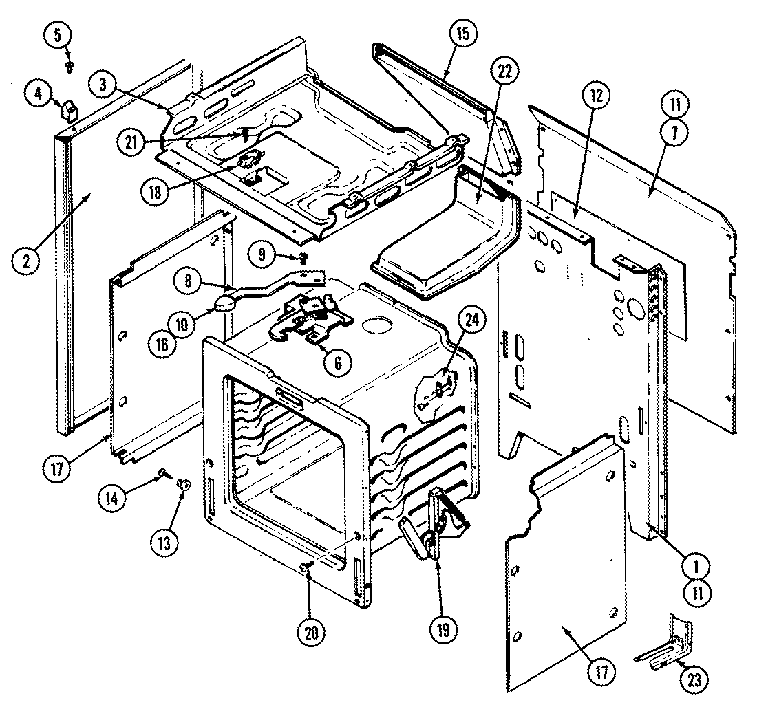
3488VRV 01 – BODYadmin2025-04-26T09:10:16+00:003488VRV 01 – BODY ProductsPositionProduct1MAY 4002F188-802MAY 2618F099-712MAY 2618F085-713MAY 4011F223-804SPACER, MAIN TOP (LT)4SPACER, MAIN TOP (RT)5MAY 7118P013-606MAY 8002P024-606MAY 4804F028-607MAY 4005F331-518MAY 8009P015-609SCREW, LEVER10MAY 7701P089-6011MAY 7101P290-6012MAY 3604F165-5113MAY 8004P024-6014MAY 7101P300-6015MAY 4022W005-1916MAY 7112P003-6017MAY 3804F103-5118MAY 7403P228-6018MAY 3801F267-4519MAY 7106P033-6019MAY 7106P049-6020SCREW, HINGE21MAY 7101P031-6022MAY 4006W113-4523MAY 3801F218-5123MAY 7101P289-6024MAY 7430P009-6024MAY 7402P043-60