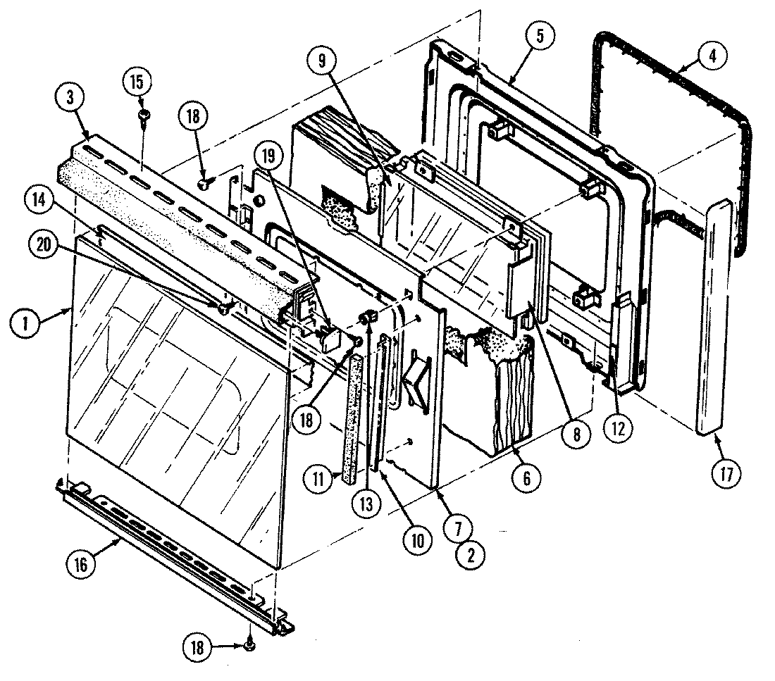
3488VRV 03 – DOORadmin2025-04-26T09:10:52+00:003488VRV 03 – DOOR ProductsPositionProduct1MAY 7902P328-602MAY 8010P085-603MAY 7701P105-604GASKT-DOOR OVEN5MAY 2402W194-196MAY 4804F012-607MAY 3601F219-458MAY 7907P009-609MAY 7907P014-6010MAY 3818F052-5111MAY 7208P002-6012MAY 7208P011-6013MAY 8010P075-6014TAPE, FOIL (3`` WIDE)15WP98008545 Whirlpool Screw16MAY 7744P103-6017MAY 7744P065-6018MAY 7101P290-6019MAY 7744P076-6019MAY 7744P075-6020MAY 7101P291-60