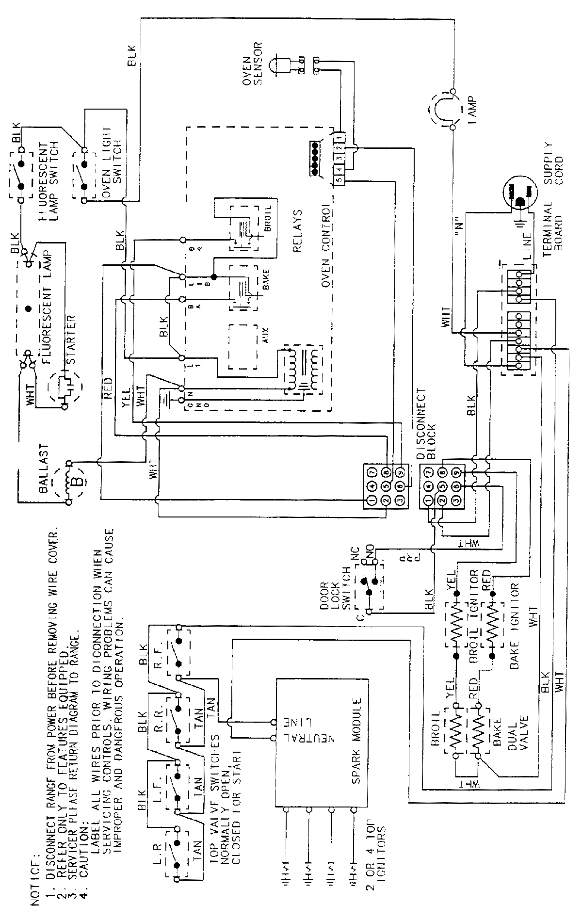
3488WVS 07 – WIRING INFORMATIONadmin2025-04-26T09:12:39+00:003488WVS 07 – WIRING INFORMATION ProductsPositionProductNIMAY 15001191