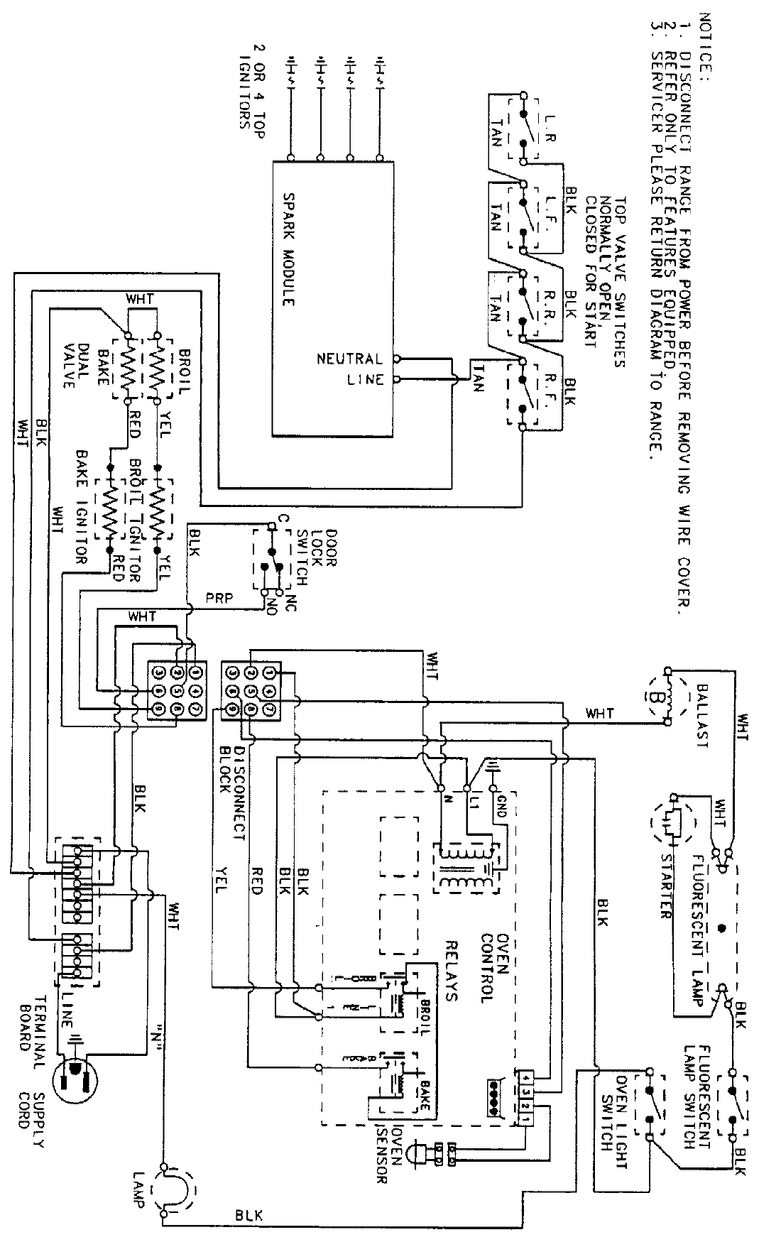
3488XRA 08 – WIRING INFORMATIONadmin2025-04-26T09:12:12+00:003488XRA 08 – WIRING INFORMATION ProductsPositionProductNIMAY 15001711