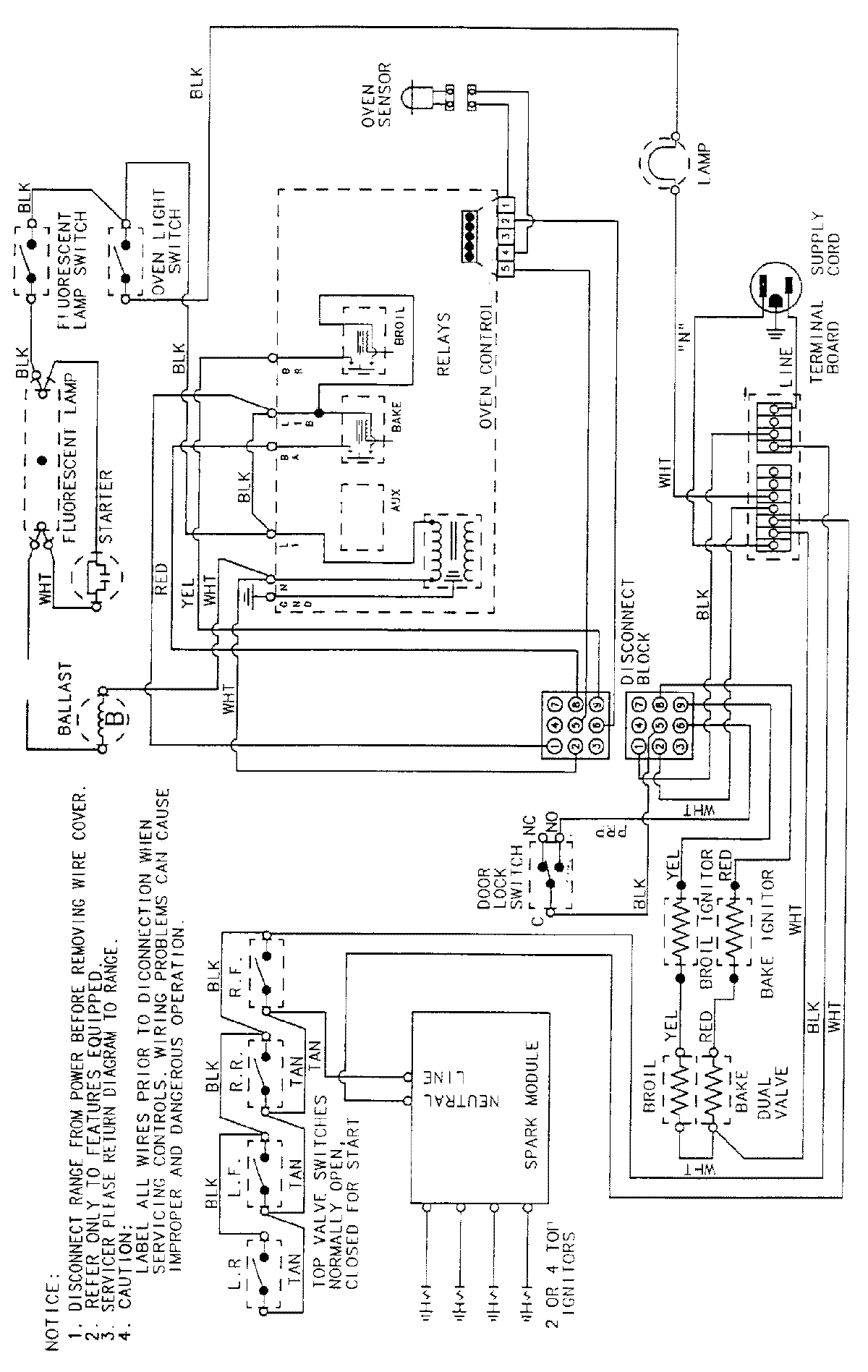
3488XRA-N 09 – WIRING INFORMATIONadmin2025-04-26T09:12:12+00:003488XRA-N 09 – WIRING INFORMATION ProductsPositionProductNIMAY 15001191