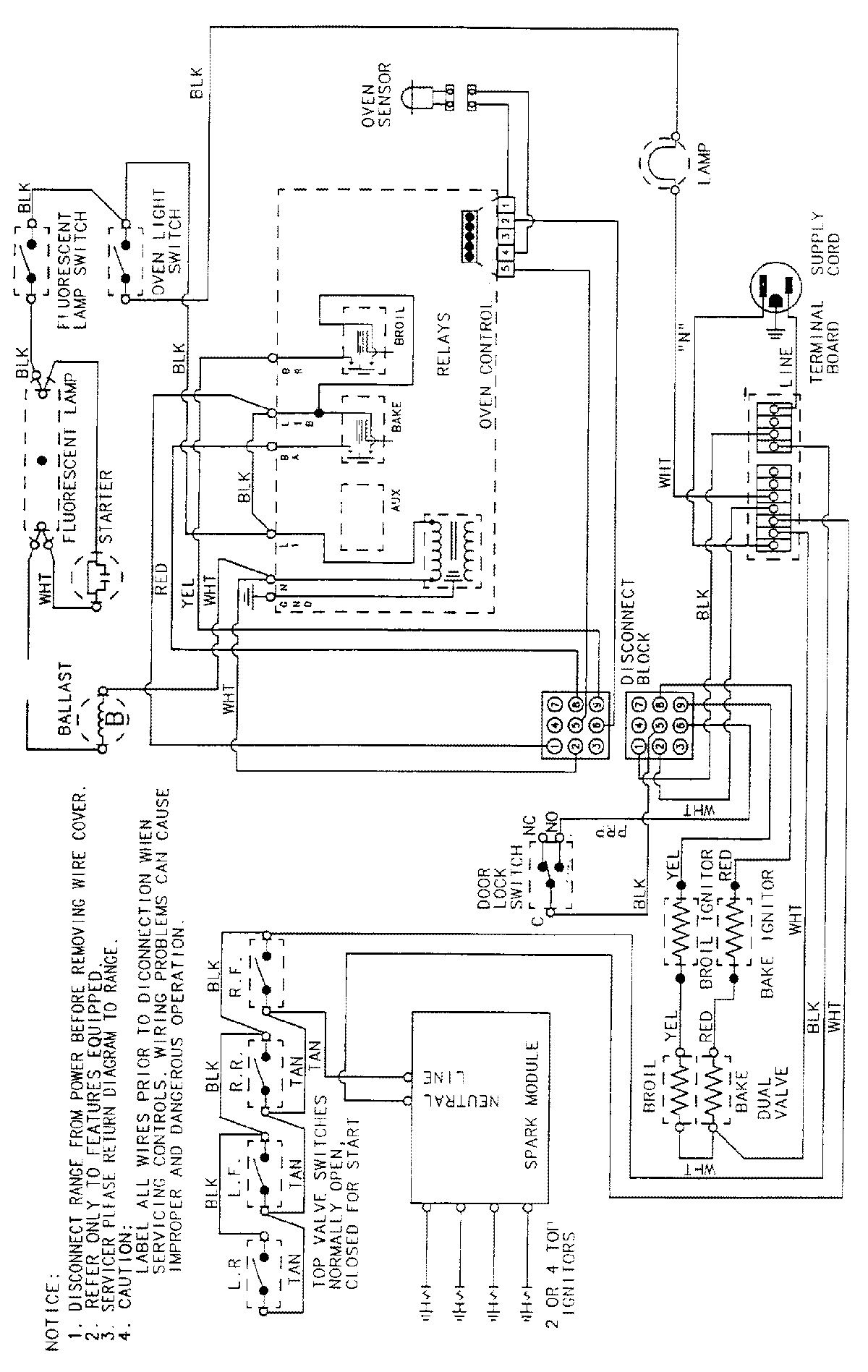
3488XVB 08 – WIRING INFORMATIONadmin2025-04-26T09:12:00+00:003488XVB 08 – WIRING INFORMATION ProductsPositionProductNIMAY 15001191