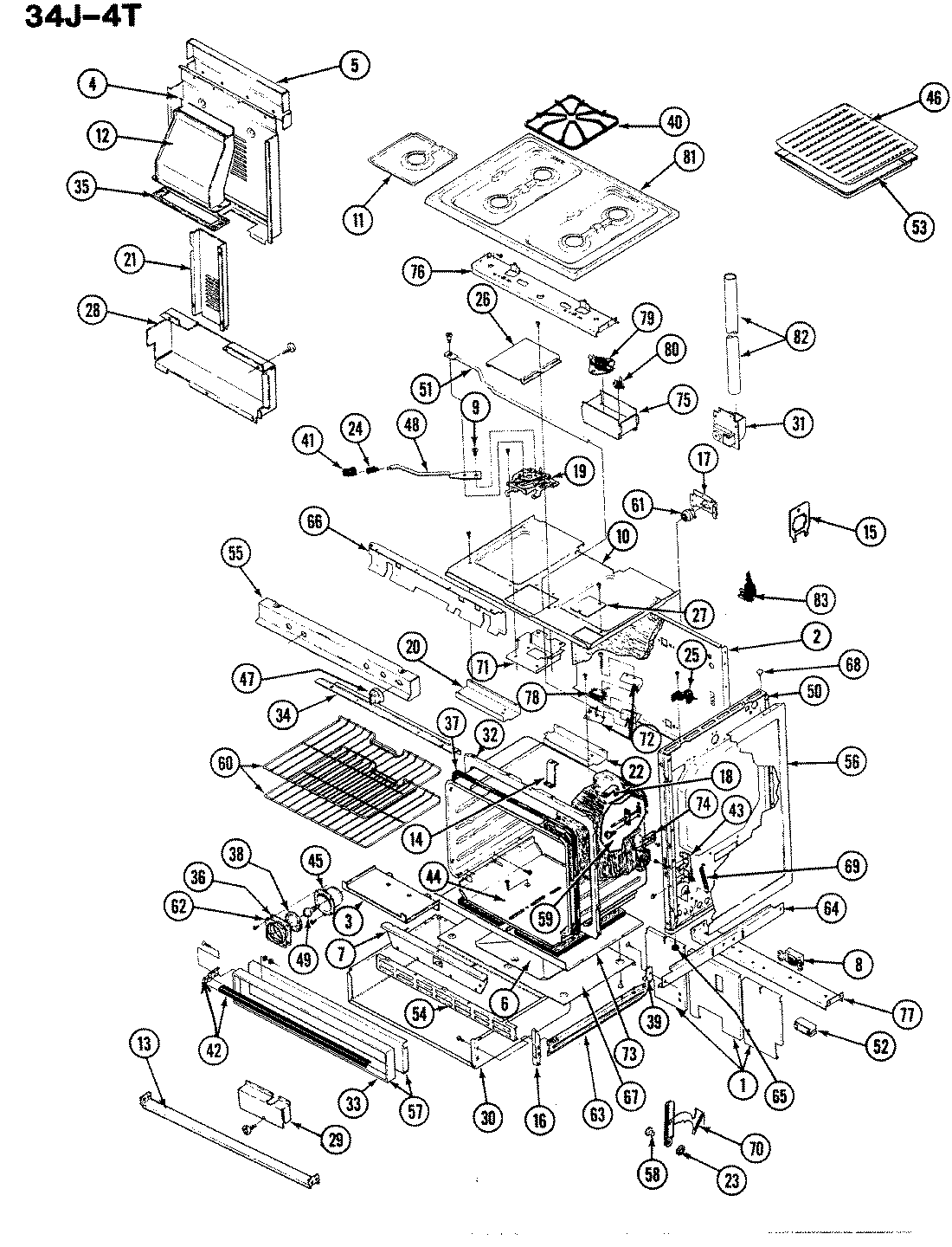
34JA-4TKXW 04 – TOP ASSEMBLY/BODYadmin2025-04-26T09:05:25+00:0034JA-4TKXW 04 – TOP ASSEMBLY/BODY ProductsPositionProduct1MAY 4002F066-452MAY 4002F144-802MAY 4002F094-803MAY 7101P273-603MAY 3601W130-454MAY 3601F112-515MAY 3601F107-516MAY 3601F116-457MAY 3601F106-517MAY 7101P058-607SCREW7MAY 3601W125-197MAY 3601W125-158MAY 7401P015-608MAY 7412P005-608MAY 7401P011-609MAY 7116P003-6010MAY 4011F200-8010MAY 4011F178-8010MAY 2205F020-1510MAY 4011F157-8010MAY W1012440310MAY 2205F020-2111MAY 7725P016-6012MAY 4006W026-1513MAY 3802F050-4513MAY 3802F076-5114MAY 3801F093-4514WP3387230 Whirlpool Screw15MAY 3801F022-4516MAY 3801F115-5117MAY 3801F024-5118MAY 3801F218-5118MAY 3801F198-5118MAY 7101P289-6018MAY 3801F047-3418MAY 3801F049-3418MAY 7101P061-6019MAY 8002P021-6020MAY 3818F025-4521MAY 3818F032-8022MAY 3805F002-3422MAY 3818F027-4523MAY 7112P019-6024MAY 7112P003-6025MAY 7112P029-6025MAY 7112P030-6026MAY 4005F137-8027MAY 4005F139-5128MAY 4005F396-8028MAY 4005F174-8029MAY 4005F258-5130MAY 3405F008-8031MAY 7427P002-6033NOT REQUIRED PART OR SEE NOTE FUSE (NOT REQUIRED)34MAY 4012F013-8034WP98008545 Whirlpool Screw35MAY 7201P014-6035MAY 7201P013-6036MAY 7201P015-6037MAY 7103P077-6037WP74003976 Whirlpool Screw37MAY 7101P064-6037MAY 7201P036-6038MAY 7902P057-6039MAY 8016P005-6039MAY 7101P013-6040MAY 2003W023-0040MAY 7518P008-6041MAY 7701P068-6042MAY 7701P047-6043WP4159193 Whirlpool Screw43MAY 3418A029-3443MAY 3418A030-3444MAY 4001F060-4544MAY 4001F036-4545MAY 4001F020-1945MAY 4001F020-2346MAY Y3413F0161946MAY 3413F002-2347MAY 7733P053-6047MAY 7733P059-6047MAY 7733P038-6048MAY 7101P018-60