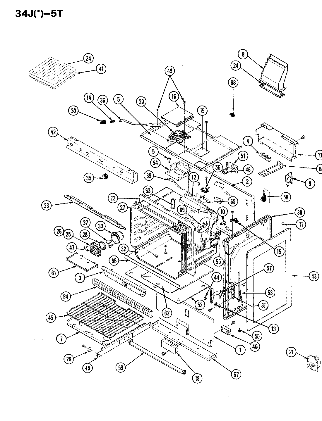
34JN-5TKXW 01 – BODY

34JN-5TKXW 01 – BODY