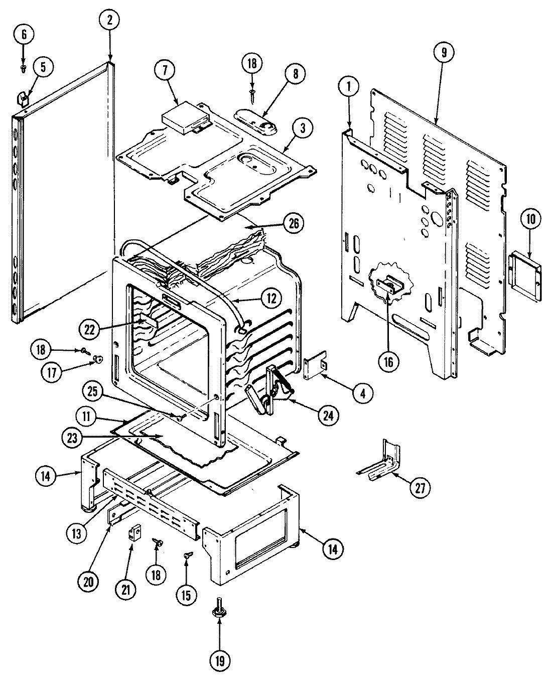
| 1 | MAY 4002F177-80 |
| 2 | MAY 2618F099-74 |
| 2 | MAY 2618F085-74 |
| 3 | MAY 4011F207-19 |
| 4 | SUPPORT,OVEN REAR |
| 5 | SPACER, MAIN TOP (LT) |
| 5 | SPACER, MAIN TOP (RT) |
| 6 | MAY 7118P013-60 |
| 7 | MAY 4005F397-51 |
| 8 | MAY 4005F350-45 |
| 9 | MAY 4005F387-51 |
| 10 | MAY 4005F376-51 |
| 11 | MAY 3804F109-51 |
| 12 | MAY 4820F001-59 |
| 13 | MAY 4020F001-80 |
| 14 | MAY 4020F003-80 |
| 14 | MAY 74001705 |
| 14 | MAY 74003003 |
| 15 | MAY 7101P290-60 |
| 16 | MAY 3605F174-51 |
| 17 | MAY 8004P024-60 |
| 18 | SCREW |
| 19 | MAY 7101P306-60 |
| 19 | W11665456 Whirlpool Range Level Foot |
| 20 | MAY 3406F028-51 |
| 21 | MAY 8004P025-60 |
| 22 | MAY 8114P323-60 |
| 23 | MAY 8312P058-60 |
| 24 | W10876639 Whirlpool Door Hinge Assembly |
| 24 | MAY 7106P032-60 |
| 25 | SCREW, HINGE |
| 26 | MAY 4804F018-60 |
| 26 | MAY 4804F017-60 |
| 27 | MAY 3801F218-51 |
| 27 | WPW10245259 Whirlpool Terminal Block |
| 27 | MAY 7101P289-60 |