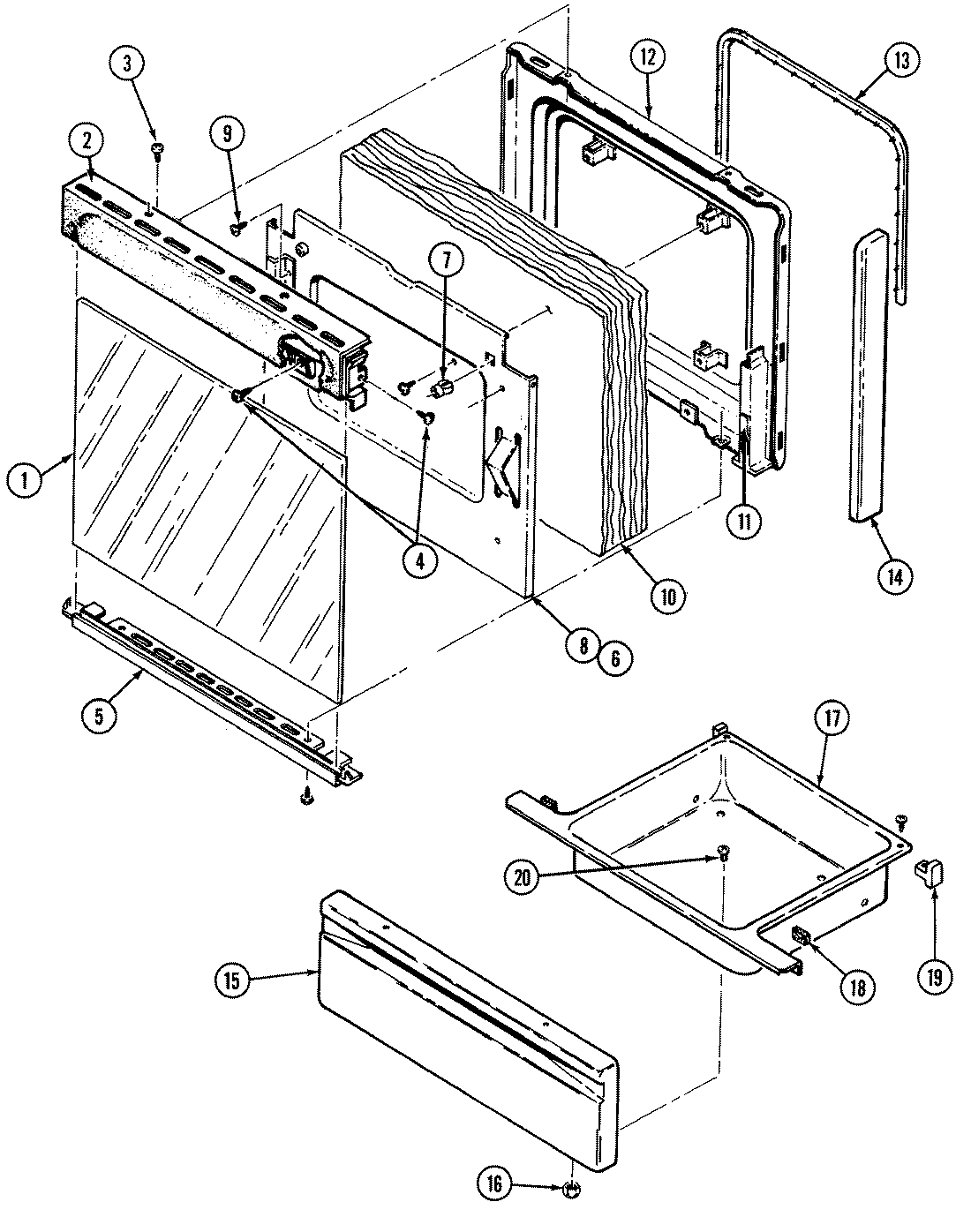
3500SPW 02 – DOOR/DRAWER 3500SPx