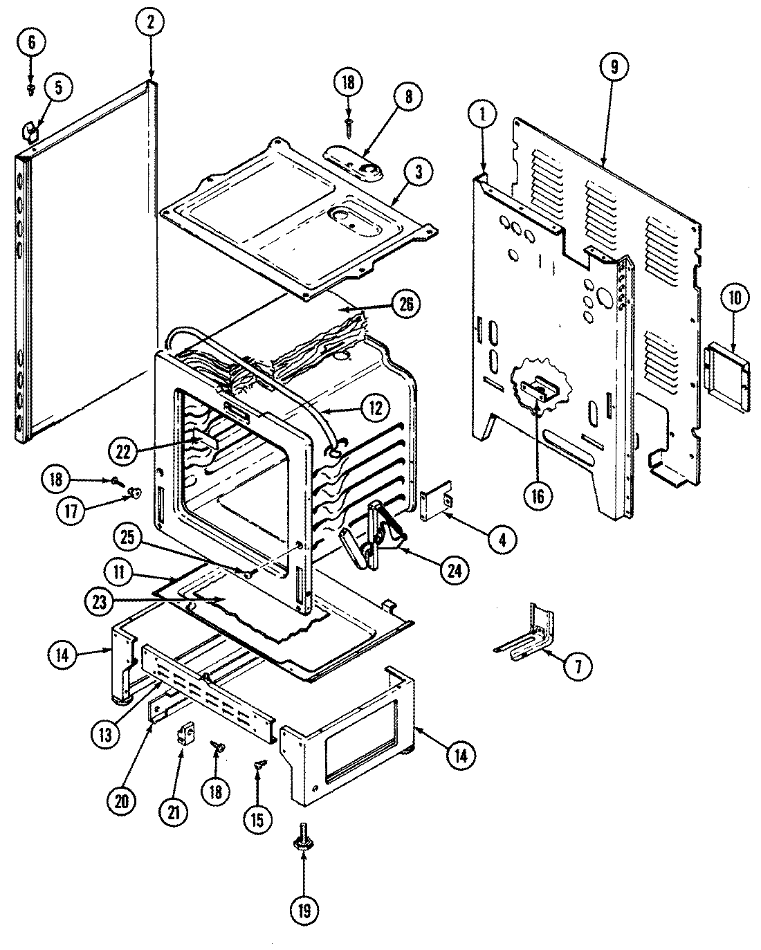
3510KPA 01 – BODY