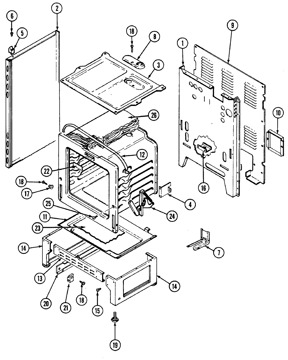
3510KPL 01 – BODYadmin2025-04-26T09:06:33+00:003510KPL 01 – BODY ProductsPositionProduct1MAY 4002F177-803MAY 4011F208-194SUPPORT,OVEN REAR5SPACER, MAIN TOP (LT)5SPACER, MAIN TOP (RT)6MAY 7118P013-607MAY 3801F218-518MAY 4005F350-4510MAY 4005F376-5111MAY 3804F109-5112MAY 4820F001-5913MAY 4020F001-8014MAY 4020W007-8015MAY 7101P290-6016MAY 3605F174-5117MAY 8004P024-6018MAY 7101P300-6019MAY 7101P306-6020MAY 3406F028-5121MAY 8004P025-6022MAY 8114P323-6023MAY 8312P058-6024MAY 7106P032-6025SCREW, HINGE26MAY 4804F017-6026MAY 4804F018-6027WPW10245259 Whirlpool Terminal Block27MAY 7101P289-60