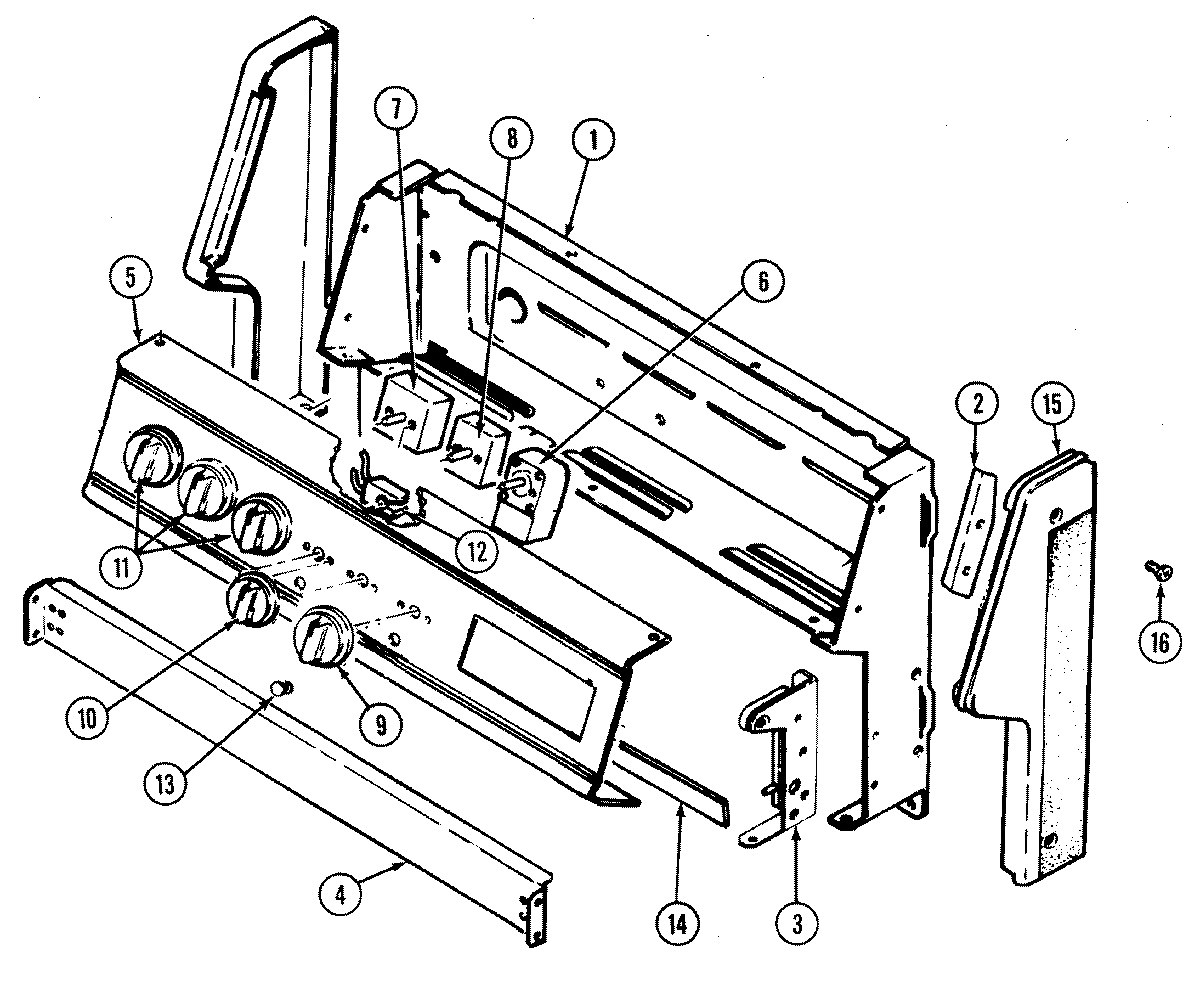
3510KRW 02 – CONTROL PANELadmin2025-04-26T09:06:10+00:003510KRW 02 – CONTROL PANEL ProductsPositionProduct1MAY 4001F091-512MAY 3807F436-452MAY 3807F435-452MAY 7118P015-603MAY 3418A088-343MAY 3418A087-344MAY 3802F087-515MAY 2601F406-715MAY 7118P013-606MAY 7404P081-607SCREW7WP7403P238-60 Whirlpool Infinite Switch (Small Element)7WP7403P239-60 Whirlpool Oven Switch8WP7403P255-60 Whirlpool Selector Switch9MAY 7735P041-6010MAY 7739P048-6011MAY 7737P041-6012W10852510 Whirlpool Indicator Light12MAY 7407P081-6013W11690131 Whirlpool Light Lens13W11690159 Whirlpool Handle14MAY 3604F201-8015MAY 7726P051-6015MAY 7726P052-6015WP98008545 Whirlpool Screw16MAY 5170D119-6016MAY 7101P317-6016MAY 5175D049-6016MAY 5125A316-6017MAY 8113P023-6017MAY 16000329