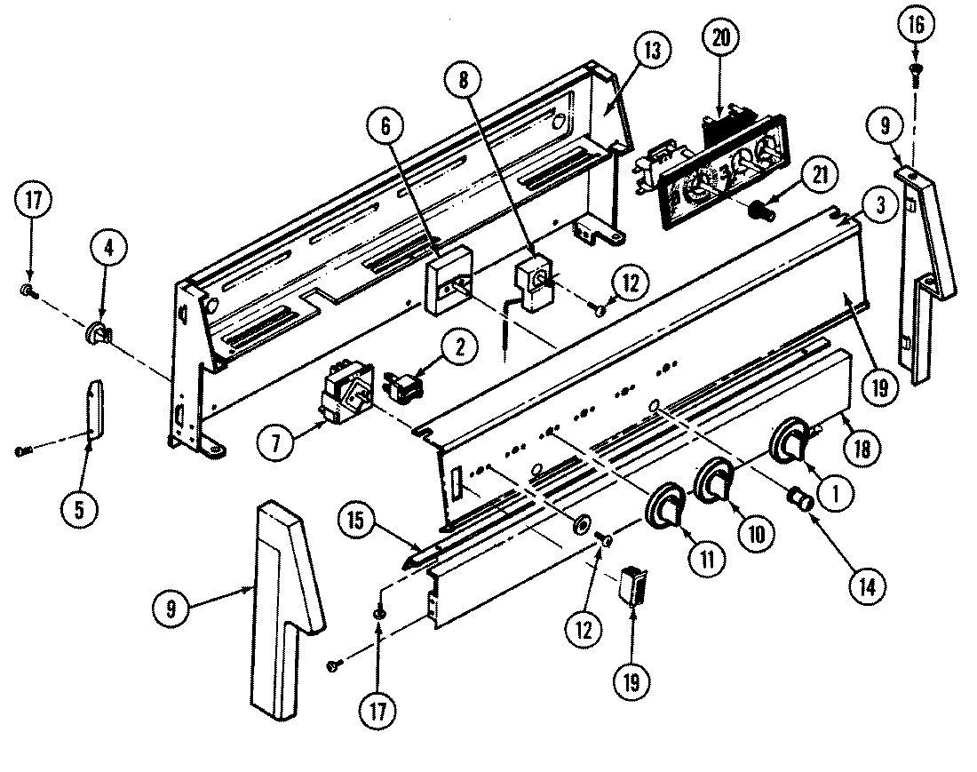
3512WPA 02 – CONTROL PANEL-BACKGUARDadmin2025-04-26T09:07:13+00:003512WPA 02 – CONTROL PANEL-BACKGUARD ProductsPositionProduct1MAY 7735P031-602MAY 7407P081-603MAY 2601F402-094SPACER, HINGE (MAIN TOP)5MAY 3807F436-455MAY 3807F435-456MAY 7403P254-607WP7403P239-60 Whirlpool Oven Switch7WP7403P238-60 Whirlpool Infinite Switch (Small Element)8MAY 7404P081-609MAY 7726P069-609MAY 7726P070-609MAY 7101P032-6010MAY 7739P045-6011WP7737P030-60 Whirlpool Knob Switch12SCREW13MAY 4001F085-5114W11690159 Whirlpool Handle15MAY 3604F201-8016WP98008545 Whirlpool Screw17MAY 7118P015-6018MAY 2612F036-8118MAY 2612F036-84197403P067-60 Whirlpool Light Switch20MAY 7601P186-6021MAY 5170D117-6021MAY 5125A314-6021MAY 7711P466-60